- 新的
PFYN 2 HT1-ESD-60 M3-AG
物料号: 10.01.01.16252
扁平吸盘(圆),用于光滑表面或略微粗糙的表面
| 尺寸 | 2 |
| 吸盘胶皮材料 | 高温材料 HT1-ESD |
| 材料硬度[邵氏 A] | 60 (Shore A) |
| 材料特性 | 无标记 |
| 螺纹接头材料 | 铝 |
| 产品系列 | PFYN |
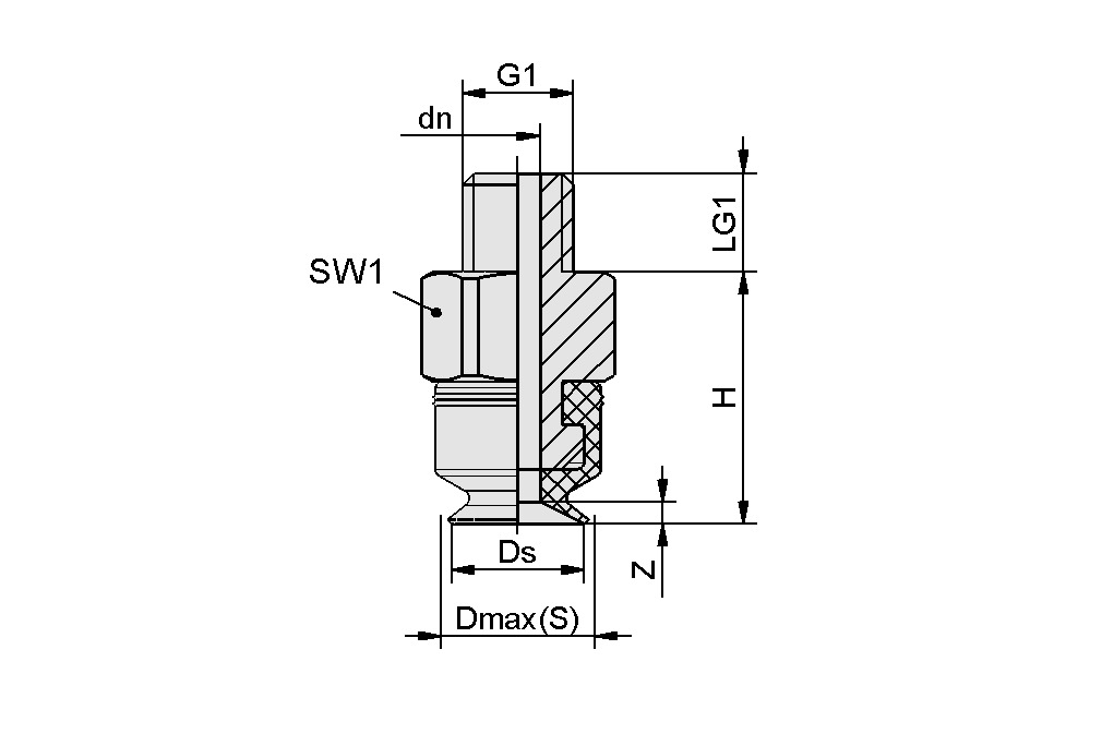
设计参数
设计参数
| 属性 | 价值 |
|---|---|
| dn | 1 mm |
| 最大值(S) | 2.5 mm |
| Ds | 2 mm |
| G1 | M3-M |
| H | 6 mm |
| LG1 | 3 mm |
| SW1 | 5 mm |
| Z(吸盘行程) | 0.5 mm |
技术参数
技术参数
| 属性 | 价值 |
|---|---|
| 吸力(-600 mbar) | 0.12 N |
| 卷数 | 0 cm³ |
| 工件最小半径(凸面) | 2 mm |
| 软管直径(建议)d | 2 mm |
| 尺寸 | 2 |
| 吸盘胶皮材料 | 高温材料 HT1-ESD |
| 材料硬度[邵氏 A] | 60 Shore A |
| 重量 | 1 g |
| 产品系列 | PFYN |
| 吸盘折数 | 0 |
文件
文件






