SCPMc EV S09 NO JST-5 PNP BT2
物料号: 10.02.02.07243
喷嘴尺寸 | Externe Vakuumpumpe |
连接 | |
吸率(max.) | 33 (l/min) |
压力范围(操作手柄压力) [bar] | |
控制阀 | 常开 |
电气的连接 | |
结构真空开关 | PNP 开关 |
防护类型 IP |
设计参数
设计参数

属性 | 价值 |
---|---|
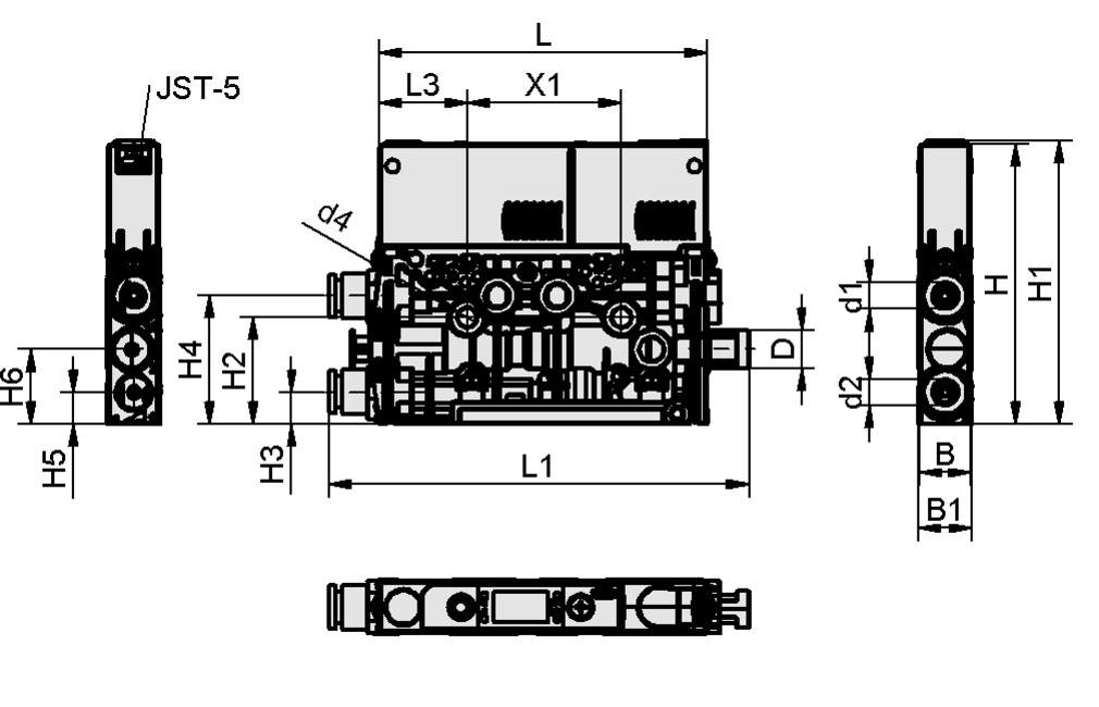
B | 12 mm |
B1 | 12.5 mm |
d1 | 4.2 mm |
d2 | 6.2 mm |
d4 | 4.3 mm |
H | 65.3 mm |
H1 | 66 mm |
H2 | 24.95 mm |
H3 | 7.5 mm |
H4 | 30 mm |
H5 | 7.5 mm |
H6 | 17.5 mm |
L | 76.5 mm |
L1 | 99.4 mm |
L3 | 20.5 mm |
X1 | 36 mm |
技术参数
技术参数
属性 | 价值 |
---|---|
喷嘴尺寸 | EV |
结构真空开关 | PNP 开关 |
控制阀 | NO |
控制阀 | 常开 |
电气的连接 | |
连接 | |
吸率(max.) | 33 l/min |
最大耗气量 吹气 | 10 l/min |
最佳操作手柄压力 | 4.5 bar |
压力范围(操作手柄压力) [bar] | |
操作手柄的工作温度 | |
重量 | 89 g |
文件
文件