SPB4f 40 SI-55 G1/4-IG
物料号: 10.01.06.03548
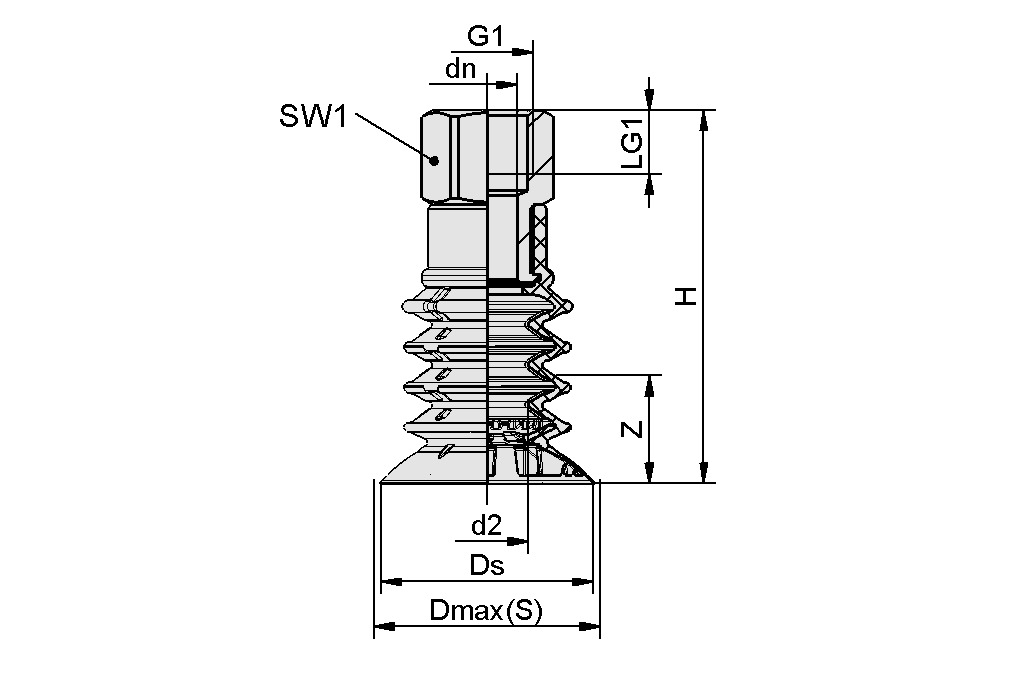
波纹吸盘(圆) 用于非常不平整的工件
| 尺寸 | 40 |
| 吸盘胶皮材料 | 硅树脂 SI |
| 材料硬度[邵氏 A] | 55 (Shore A) |
| 螺纹 G1 | G1/4"-F |
| 吸盘折数 | 4.5 |
设计参数
设计参数
| 属性 | 价值 |
|---|---|
| d2 | 15.3 mm |
| dn | 11 mm |
| 最大值(S) | 42 mm |
| Ds | 39.7 mm |
| G1 | G1/4"-F |
| H | 69.5 mm |
| LG1 | 12 mm |
| SW1 | 22 mm |
| Z(吸盘行程) | 18 mm |
技术参数
技术参数
| 属性 | 价值 |
|---|---|
| 零下 200 毫巴时的吸力 | 6.8 N |
| 零下 400 毫巴时的吸力 | 13.6 N |
| 吸力(-600 mbar) | 20.4 N |
| 拉脱力 | 23.8 N |
| 卷数 | 15.12 cm³ |
| 软管直径(建议)d | 9 mm |
| 吸盘折数 | 4.5 |
| 吸盘胶皮材料 | 硅树脂 SI |
| 材料硬度[邵氏 A] | 55 Shore A |
| 重量 | 31.3 g |
| 产品系列 | SPB4f |
文件
文件



