- 新的
SFB1 15 HT1-ESD-60 M5-AG
物料号: 10.01.06.06293
波纹吸盘(圆)用于 轻柔地搬运薄型和柔性工件 灵活的工件
| 尺寸 | 15 |
| 吸盘胶皮材料 | 高温材料 HT1-ESD |
| 材料硬度[邵氏 A] | 60 (Shore A) |
| 产品系列 | SFB1 |
设计参数
设计参数
| 属性 | 价值 |
|---|---|
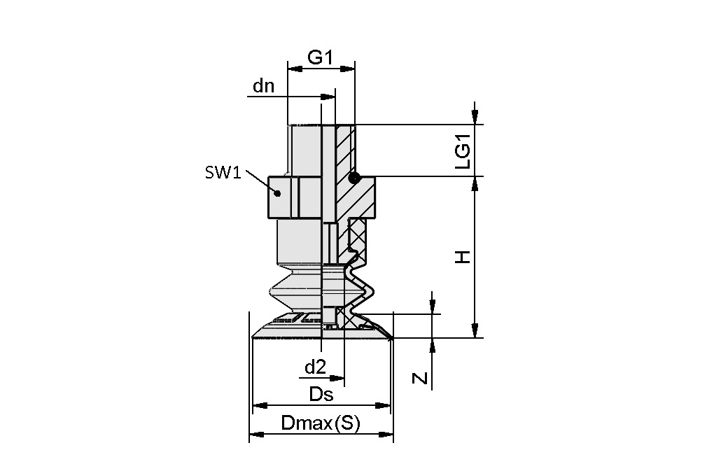
| 最大值(S) | 16 mm |
| Ds | 15 mm |
| d2 | 4.7 mm |
| dn | 1.8 mm |
| G1 | M5-AG |
| LG1 | 4.7 mm |
| H | 21 mm |
| SW1 | 8 mm |
| Z(吸盘行程) | 4 mm |
技术参数
技术参数
| 属性 | 价值 |
|---|---|
| 拉脱力 | 6.1 N |
| 吸力(-600 mbar) | 1 N |
| 卷数 | 0.8 cm³ |
| 尺寸 | 15 |
| 吸盘折数 | 1.5 |
| 吸盘胶皮材料 | 高温材料 HT1-ESD |
| 材料硬度[邵氏 A] | 60 Shore A |
| 重量 | 2 g |
| 产品系列 | SFB1 |
文件
文件


