PFYN 80 HT1-60 G1/4-IG
物料号: 10.01.01.11157
扁平吸盘(圆),用于光滑表面或略微粗糙的表面
| 尺寸 | 80 |
| 吸盘胶皮材料 | 高温材料 HT1 |
| 材料硬度[邵氏 A] | 60 (Shore A) |
| 材料特性 | 无标记 |
| 螺纹接头材料 | 铝 |
| 产品系列 | PFYN |
设计参数
设计参数
| 属性 | 价值 |
|---|---|
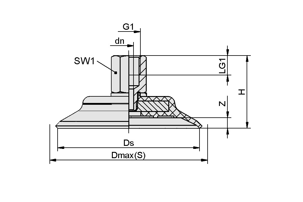
| dn | 5.5 mm |
| 最大值(S) | 86 mm |
| Ds | 80 mm |
| G1 | G1/4"-F |
| H | 41 mm |
| LG1 | 11 mm |
| SW1 | 17 mm |
| Z(吸盘行程) | 6 mm |
技术参数
技术参数
| 属性 | 价值 |
|---|---|
| 吸力(-600 mbar) | 260 N |
| 卷数 | 25 cm³ |
| 工件最小半径(凸面) | 150 mm |
| 软管直径(建议)d | 6 mm |
| 尺寸 | 80 |
| 吸盘胶皮材料 | 高温材料 HT1 |
| 材料硬度[邵氏 A] | 60 Shore A |
| 重量 | 65.2 g |
| 产品系列 | PFYN |
| 吸盘折数 | 0 |
文件
文件







