Schmalz

订单信息

真空吸盘PFYN(橡胶件+吸盘接头出厂时各部件未经装配成一体(直径120mm及以上的吸盘经装配成一体后供货)。该订购编号包含:

请稍后再试,或联系当地联系人。

PFYN 40 HT1-60 G1/8-AG

物料号: 10.01.01.11140

扁平吸盘(圆),用于光滑表面或略微粗糙的表面

尺寸40
吸盘胶皮材料高温材料 HT1
材料硬度[邵氏 A]60 (Shore A)
材料特性无标记
螺纹接头材料
产品系列PFYN
产品信息
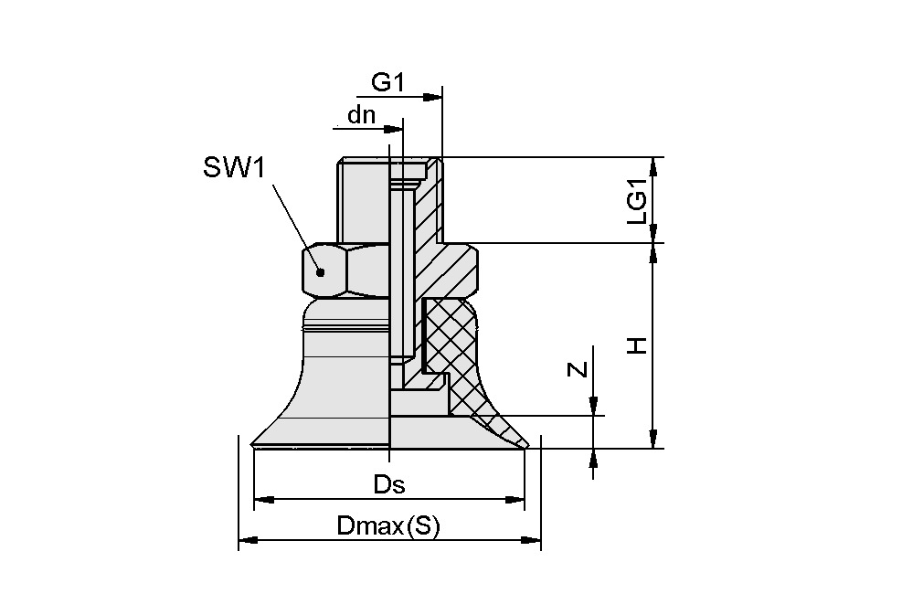
设计参数
Design image
属性 价值
dn 2.4  mm
最大值(S) 43  mm
Ds 40  mm
G1 G1/8"-M
H 19  mm
LG1 8  mm
SW1 14  mm
Z(吸盘行程) 3.5  mm
注意:弹性部件的可接受尺寸公差符合 DIN ISO 3302-1 M3 标准。
技术参数
属性 价值
吸力(-600 mbar) 57.7  N
卷数 3.8  cm³
工件最小半径(凸面) 50  mm
软管直径(建议)d 4  mm
尺寸 40
吸盘胶皮材料 高温材料 HT1
材料硬度[邵氏 A] 60  Shore A
重量 12.2  g
产品系列 PFYN
吸盘折数 0
注意:吸力:规定的吸力是在真空度为 -0.6 巴和工件表面干燥、光滑、平整的情况下的理论值,不包括安全系数 软管直径:推荐的软管直径指的是长度约为 2 米的软管。
文件

备件

辅料

产品推荐

施迈茨公司

请在以下地区选择您的施迈茨公司:

地区

您所在的地区不在列表中?

施迈茨的国际销售网络遍布 80 多个国家。请选择一种语言浏览我们的国际网站。

您尝试访问的 URL 的语言或国家背景不正确。

与您账户关联的商店渠道与请求的 URL 渠道不匹配。要查看价格或下订单,请切换到您的用户特定频道。

0 产品成功添加到购物车

进入购物车