PFYN 6 NBR-55 M5-AG
物料号: 10.01.01.00138
扁平吸盘(圆形),搬运光滑或轻微粗糙表面工件
尺寸 | 6 |
吸盘胶皮材料 | 丁腈橡胶 NBR |
材料硬度[邵氏 A] | 55 (Shore A) |
螺纹接头材料 | 铝 |
真空连接 | M5-M |
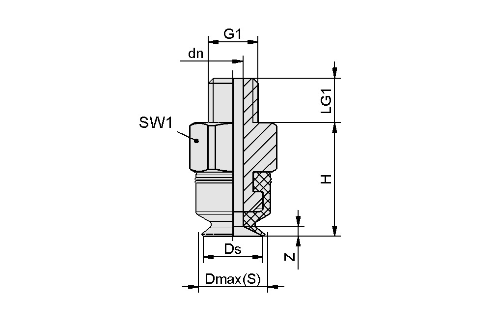
设计参数
设计参数

属性 | 价值 |
---|---|
dn | 2 mm |
最大值(S) | 6.5 mm |
Ds | 6 mm |
G1 | M5-M |
H | 11.5 mm |
LG1 | 4.5 mm |
SW1 | 8 mm |
Z(吸盘行程) | 1 mm |
技术参数
技术参数
属性 | 价值 |
---|---|
吸力(-600 mbar) | 1.2 N |
卷数 | 0.01 cm³ |
工件最小半径(凸面) | 7.5 mm |
软管直径(建议)d | 2 mm |
尺寸 | 6 |
吸盘胶皮材料 | 丁腈橡胶 NBR |
材料硬度[邵氏 A] | 55 Shore A |
重量 | 1.1 g |
产品系列 | PFYN |
吸盘折数 | 0 |
文件
文件