- 新的
FSG 5 HT1-ESD-60 M5-IG
物料号: 10.01.06.06269
波纹吸盘(圆) 用于非常不平整的工件
| 尺寸 | 5 |
| 吸盘胶皮材料 | 高温材料 HT1-ESD |
| 材料硬度[邵氏 A] | 60 (Shore A) |
| 螺纹接头材料 | 铝 |
| 连接 | |
| 吸盘折数 | 2.5 |
| 产品系列 | FSG |
设计参数
设计参数
| 属性 | 价值 |
|---|---|
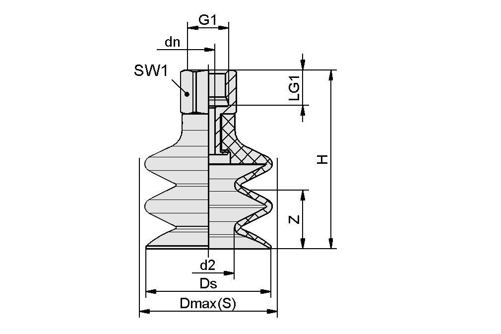
| d2 | 2.6 mm |
| dn | 2 mm |
| 最大值(S) | 7 mm |
| Ds | 5 mm |
| G1 | M5-F |
| H | 24 mm |
| LG1 | 5.5 mm |
| SW1 | 8 mm |
| Z(吸盘行程) | 2 mm |
技术参数
技术参数
| 属性 | 价值 |
|---|---|
| 吸盘胶皮材料 | 高温材料 HT1-ESD |
| 材料硬度[邵氏 A] | 60 Shore A |
| 尺寸 | 5 |
| 吸盘折数 | 2.5 |
| 连接 | M5-IG |
| 工件最小半径(凸面) | 7.5 mm |
| 卷数 | 0.03 cm³ |
| 吸力(-600 mbar) | 0.32 N |
| 拉脱力 | 0.8 N |
| 软管直径(建议)d | 2 mm |
| 重量 | 1.7 g |
| 产品系列 | FSG |
文件
文件





