Schmalz

订单信息

吸盘FSG(弹性体部件+连接头)以未组装状态交付(直径32mm及以上型号为组装状态)。交付内容包括:

  • FG型吸盘——弹性体部件,提供多种直径和材质
  • SA-NIP型连接头——可用的多种螺纹规格

易损件:FG吸盘、SA-NIP连接头

请稍后再试,或联系当地联系人。

FSG 9 NK-45 G1/8-IG

物料号: 10.01.06.00431

波纹吸盘(圆) 用于非常不平整的工件

尺寸9
吸盘胶皮材料天然橡胶 NK
材料硬度[邵氏 A]45 (Shore A)
螺纹接头材料
连接G1/8"-F
吸盘折数2.5
产品系列FSG
产品信息
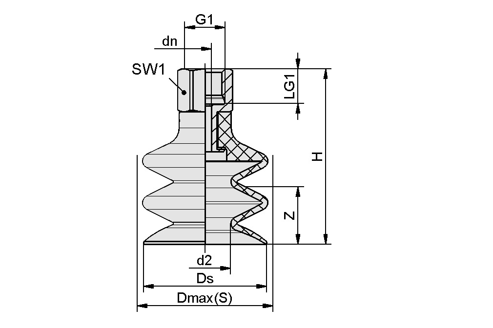
设计参数
Design image
属性 价值
d2 4.1  mm
dn 3.5  mm
最大值(S) 9.5  mm
Ds 9  mm
G1 G1/8"-F
H 27  mm
LG1 8.5  mm
SW1 14  mm
Z(吸盘行程) 3  mm
注意:弹性部件的可接受尺寸公差符合 DIN ISO 3302-1 M3 标准。
技术参数
属性 价值
吸盘胶皮材料 天然橡胶 NK
材料硬度[邵氏 A] 45  Shore A
尺寸 9
吸盘折数 2.5
连接 G1/8-IG
工件最小半径(凸面) 10  mm
卷数 0.15  cm³
吸力(-600 mbar) 0.79  N
拉脱力 2.3  N
软管直径(建议)d 4  mm
重量 4.9  g
产品系列 FSG
注意:吸力:规定的吸力是在真空度为 -0.6 巴和工件表面干燥、光滑、平整的情况下的理论值,不包括安全系数 拉脱力:天然橡胶版本的拉脱力降低约 40% 软管直径:推荐的软管直径指的是长度约为 2 米的软管。
文件

备件

辅料

产品推荐

施迈茨公司

请在以下地区选择您的施迈茨公司:

地区

您所在的地区不在列表中?

施迈茨的国际销售网络遍布 80 多个国家。请选择一种语言浏览我们的国际网站。

您尝试访问的 URL 的语言或国家背景不正确。

与您账户关联的商店渠道与请求的 URL 渠道不匹配。要查看价格或下订单,请切换到您的用户特定频道。

0 产品成功添加到购物车

进入购物车