FGA 4 NBR-ESD-55 N003
物料号: 10.01.06.04095
波纹吸盘(圆) 具有最佳适应性,同化于凹凸不平的表面
| 尺寸 | 4 |
| 吸盘胶皮材料 | 丁腈橡胶 NBR-ESD |
| 材料硬度[邵氏 A] | 55 (Shore A) |
| 吸盘折数 | 1.5 |
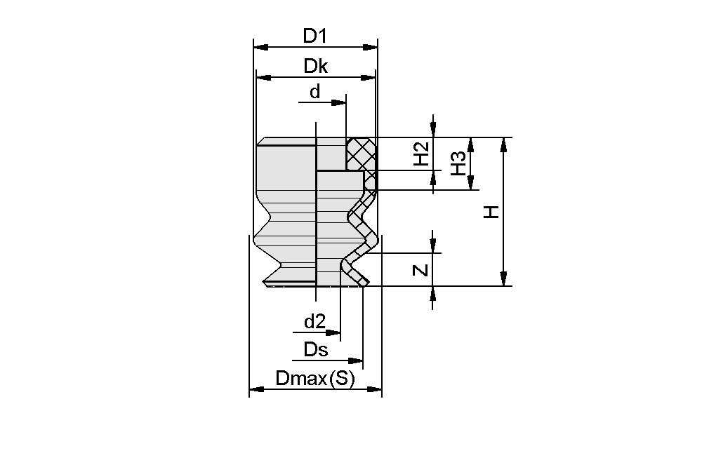
设计参数
设计参数
| 属性 | 价值 |
|---|---|
| d | 2 mm |
| d1 | 3 mm |
| d2 | 2.5 mm |
| D1 | 4.6 mm |
| Dk | 4 mm |
| 最大值(S) | 5 mm |
| Ds | 4 mm |
| H | 5.5 mm |
| H2 | 1.5 mm |
| H3 | 2.6 mm |
| Z(吸盘行程) | 1.5 mm |
技术参数
技术参数
| 属性 | 价值 |
|---|---|
| 吸盘折数 | 1.5 |
| 吸力(-600 mbar) | 0.29 N |
| 尺寸 | 4 |
| 吸盘胶皮材料 | 丁腈橡胶 NBR-ESD |
| 重量 | 0.1 g |
| 工件最小半径(凸面) | 1.5 mm |
| 产品系列 | FGA |
文件
文件

