Schmalz

Ordering information

The mini compact valve SCPM EV is supplied as a ready-to-connect product (without connection cable).

Available accessories: connection cable, connection plug

Back to product family
Please try again later or contact your local contact person.

SCPMc EV S09 NC JST-5 PNP BTY

Part no.: 10.02.02.07244

Mini compact valve for intelligent control of vacuum systems

Nozzle sizeExterne Vakuumpumpe
ConnectionHose D6(1A)-D4(1)-D6(2)
Suction rate (max.)33 (l/min)
Pressure range (operating pressure) [bar]4.0 ... 6.0 bar
Control valveNormally closed
Electrical connectionMale connect JST, 5 pol
Construction vacuum switchPNP switching
Protection type IPIP 40 (with plug)
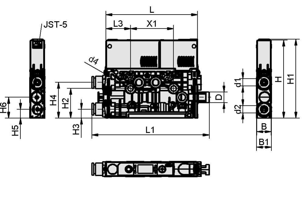
Design Data
Design image
Attribute Value
B 12  mm
B1 12.5  mm
d1 4.2  mm
d2 6.2  mm
d4 4.3  mm
H 65.3  mm
H1 66  mm
H2 24.95  mm
H3 7.5  mm
H4 30  mm
H5 7.5  mm
H6 17.5  mm
L 76.5  mm
L1 99.4  mm
L3 20.5  mm
X1 36  mm
Technical Data
Attribute Value
Nozzle size EV
Construction vacuum switch PNP switching
Control valve NC
Control valve Normally closed
Electrical connection Male connect JST, 5 pol
Connection Hose D6(1A)-D4(1)-D6(2)
Suction rate (max.) 33  l/min
Max. air consumption blow-off 10  l/min
Optimal operating pressure 4.5  bar
Pressure range (operating pressure) [bar] 4.0 ... 6.0 bar
Operating temperature 0 ... 50 °C
Weight 89  g
Documentation

Accessories

Schmalz Companies

Select your Schmalz Company in one of the following regions:

Regions

Your region is not listed?

Schmalz maintains an international sales network with sales partners in over 80 countries. Please select a language for our international website.

The URL you are trying to access is not in the correct language or country context.

The store channel associated with your account does not match the channel of the requested URL. To view prices or place an order, please switch to your user-specific channel.

0 products successfully added to cart

Go to shopping cart