Schmalz

Ordering information

Suction cup SPB4 (elastomer part + connection element) is delivered assembled. As an alternative the individual parts can also be ordered separately. To do this, the following ordering steps are required:

  • Suction cup of type SPB4 (step 1) – elastomer part, available in various diameters
  • Connection element of type SC (step 2) – available with various threads

 

Available accessories: filter screen, hose clamp, insert disc

Please try again later or contact your local contact person.

SPB4 50 SI-55 SC090

Part no.: 10.01.06.02613

Bellows suction cup (round) with 4.5 folds for process reliable handling of pouches and flex. prod.

Size50
Suction cup materialSilicone SI
Material hardness [Shore A]55 (Shore A)
Number of folds4.5
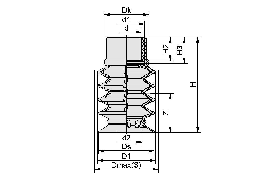
Design Data
Design image
Attribute Value
d 20  mm
d1 24.8  mm
d2 30  mm
D1 51  mm
Dk 31  mm
Dmax(S) 51.5  mm
Ds 50.3  mm
H 76  mm
H2 14  mm
H3 16  mm
Z (Stroke) 36.5  mm
Note: Acceptable dimensional tolerances for elastomer parts concerning to DIN ISO 3302-1 M3
Technical Data
Attribute Value
Suction force at -200 mbar 16.5  N
Suction force at -400 mbar 33  N
Suction force (-600mbar) 49.5  N
Pull-off force at -200 mbar 22  N
Pull-off force at -400 mbar 37  N
Volume 64.55  cm³
Size 50
Nipple family SC 090
Number of folds 4.5
Suction cup material Silicone SI
Material hardness [Shore A] 55  Shore A
Weight 31.3  g
Product family SPB4
Note: Suction force: The specified suction forces are theoretical values with a dry, smooth and even workpiece surface - they do not include a safety factor
Documentation

Accessories

Schmalz Companies

Select your Schmalz Company in one of the following regions:

Regions

Your region is not listed?

Schmalz maintains an international sales network with sales partners in over 80 countries. Please select a language for our international website.

The URL you are trying to access is not in the correct language or country context.

The store channel associated with your account does not match the channel of the requested URL. To view prices or place an order, please switch to your user-specific channel.