Schmalz

Please try again later or contact your local contact person.

SA-NIP N006 G1/8-AG DN200

Part no.: 10.01.01.03530

Suction cup connection nipple

Thread G1G1/8"-M
Length L119.5 (mm)
Fitting length5 (mm)
Nominal size2.00 mm
MaterialAluminum
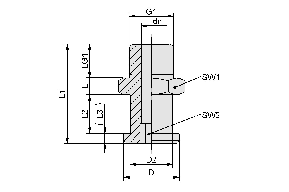
Design Data
Design image
Attribute Value
D 10  mm
dn 2  mm
D2 5  mm
G1 G1/8"-M
L 5  mm
L1 19.5  mm
L2 4.5  mm
L3 2  mm
LG1 8  mm
SW1 14  mm
Technical Data
Attribute Value
Nipple family N 006
Material Aluminum
Weight 4.3  g
Documentation

Accessories

Schmalz Companies

Select your Schmalz Company in one of the following regions:

Regions

Your region is not listed?

Schmalz maintains an international sales network with sales partners in over 80 countries. Please select a language for our international website.

The URL you are trying to access is not in the correct language or country context.

The store channel associated with your account does not match the channel of the requested URL. To view prices or place an order, please switch to your user-specific channel.

0 products successfully added to cart

Go to shopping cart