Schmalz

订单信息

吸盘 SFF / SFB1(弹性部件 + 连接接头)已组装完毕。

可用备件:吸盘 SFF / SFB1、连接接头 SC

返回产品系列
请稍后再试,或联系当地联系人。

  • 新的

SFF 15 HT1-ESD-60 G1/8-IG

物料号: 10.01.01.16289

扁平吸盘(圆),用于动态 用于动态搬运薄和灵活的 工件

尺寸15
吸盘胶皮材料高温材料 HT1-ESD
材料硬度[邵氏 A]60 (Shore A)
产品系列SFF
设计参数
Design image
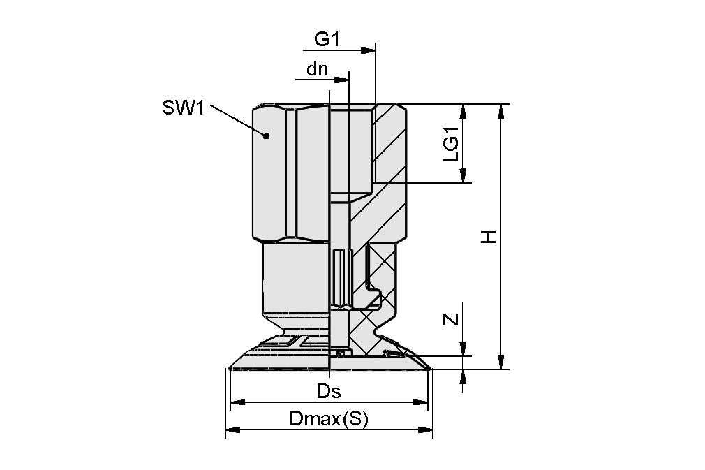
属性 价值
最大值(S) 16  mm
Ds 15  mm
dn 4  mm
G1 G1/8-IG
LG1 8  mm
H 26.5  mm
SW1 14  mm
Z(吸盘行程) 1  mm
技术参数
属性 价值
拉脱力 5.8  N
吸力(-600 mbar) 5.8  N
卷数 0.6  cm³
尺寸 15
吸盘折数 0
吸盘胶皮材料 高温材料 HT1-ESD
材料硬度[邵氏 A] 60  Shore A
重量 6.2  g
产品系列 SFF
注意:吸力:规定的吸力是在真空度为 -0.6 巴和工件表面干燥、光滑、平整的情况下的理论值,不包括安全系数 软管直径:推荐的软管直径指的是长度约为 2 米的软管。
文件

备件

施迈茨公司

请在以下地区选择您的施迈茨公司:

地区

您所在的地区不在列表中?

施迈茨的国际销售网络遍布 80 多个国家。请选择一种语言浏览我们的国际网站。

您尝试访问的 URL 的语言或国家背景不正确。

与您账户关联的商店渠道与请求的 URL 渠道不匹配。要查看价格或下订单,请切换到您的用户特定频道。

0 产品成功添加到购物车

进入购物车