SGPN 40 SI-50 G1/4-IG
物料号: 10.01.01.12774
扁平吸盘(圆形),用于抓取纸张、塑料薄膜等。
| 尺寸 | 40 |
| 吸盘胶皮材料 | 硅树脂 SI |
| 材料硬度[邵氏 A] | 50 (Shore A) |
| 螺纹接头材料 | 铝 |
| 材料特性 | FDA |
| 产品系列 | SGPN |
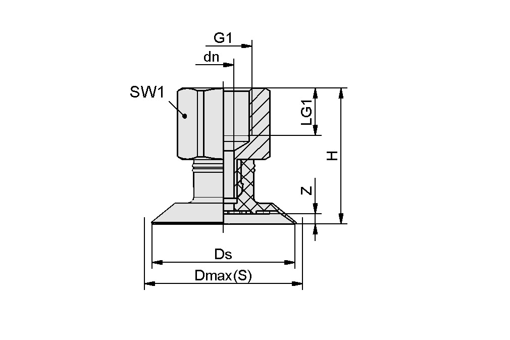
设计参数
设计参数
| 属性 | 价值 |
|---|---|
| dn | 5 mm |
| 最大值(S) | 42 mm |
| Ds | 40 mm |
| G1 | G1/4"-F |
| H | 35.6 mm |
| LG1 | 12 mm |
| SW1 | 17 mm |
| Z(吸盘行程) | 2.3 mm |
技术参数
技术参数
| 属性 | 价值 |
|---|---|
| 吸力(-600 mbar) | 33 N |
| 卷数 | 3.8 cm³ |
| 软管直径(建议)d | 4 mm |
| 尺寸 | 40 |
| 吸盘折数 | 0 |
| 吸盘胶皮材料 | 硅树脂 SI |
| 材料硬度[邵氏 A] | 50 Shore A |
| 重量 | 12.1 g |
| 产品系列 | SGPN |
文件
文件


