- 新的
SAXB 50 ED-85 M16-AG
物料号: 10.01.42.00099
高速波纹吸盘,用于 适配器,接头可适应于强烈弯曲 和有油的表面
| 尺寸 | 50 |
| 吸盘胶皮材料 | 弹性体聚合塑料 ED |
| 材料硬度[邵氏 A] | 85 (Shore A) |
| 螺纹接头材料 | 铝 |
| 连接 | M16-AG |
| 吸盘折数 | 1.5 |
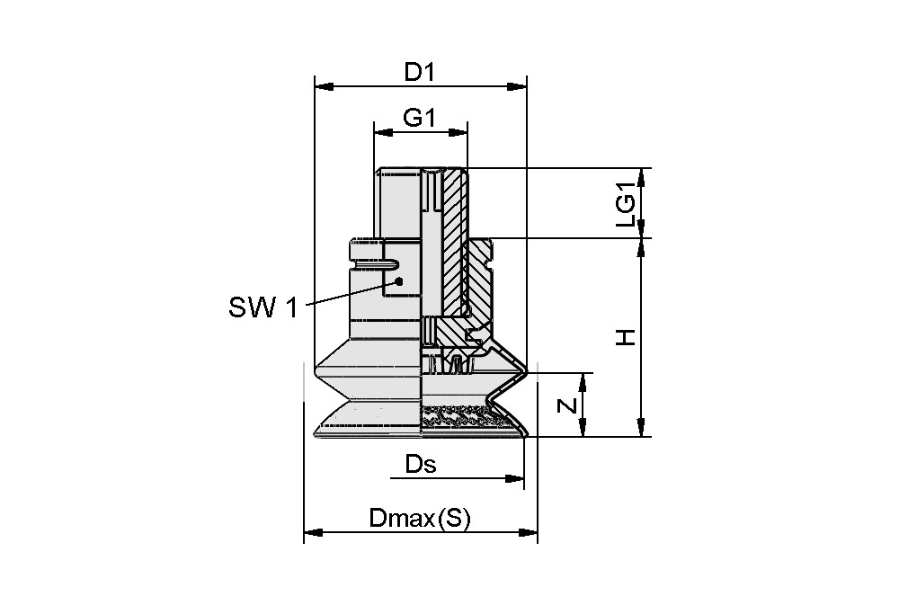
设计参数
设计参数
| 属性 | 价值 |
|---|---|
| 最大值(S) | 55 mm |
| Ds | 49.6 mm |
| D1 | 43.2 mm |
| G1 | M16-M |
| H | 36.9 mm |
| LG1 | 11 mm |
| SW1 | 22 mm |
| Z(吸盘行程) | 11.6 mm |
技术参数
技术参数
| 属性 | 价值 |
|---|---|
| 吸力(-600 mbar) | 58 N |
| 横向剪力 | 78 N |
| 油性表面的横向剪力 | 67 N |
| 卷数 | 18.9 cm³ |
| 工件最小半径(凸面) | 22 mm |
| 软管直径(建议)d | 6 mm |
| 尺寸 | 50 |
| 连接 | M16-M |
| 吸盘折数 | 1.5 |
| 吸盘胶皮材料 | 弹性体聚合塑料 ED |
| 材料硬度[邵氏 A] | 85 Shore A |
| 重量 | 37.4 g |
| 产品系列 | SAXB |
文件
文件
