- 新的
SUF 6 HT1-ESD-60 SC020
物料号: 10.01.01.16193
扁平吸盘(圆)F. 工艺-- 安全处理光滑或轻微 粗糙表面
| 尺寸 | 6 |
| 吸盘胶皮材料 | Hochtemp. Material HT1-ESD |
| 材料硬度[邵氏 A] | 60 (Shore A) |
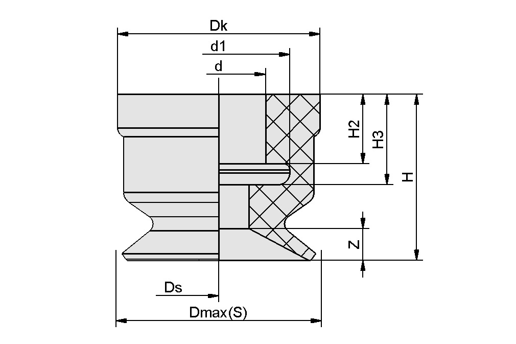
设计参数
设计参数
| 属性 | 价值 |
|---|---|
| d1 | 4.7 mm |
| d | 3.1 mm |
| Dk | 6.7 mm |
| 最大值(S) | 6.8 mm |
| Ds | 6 mm |
| H | 5.5 mm |
| H2 | 2.3 mm |
| H3 | 3 mm |
| Z(吸盘行程) | 0.6 mm |
技术参数
技术参数
| 属性 | 价值 |
|---|---|
| 吸力(-600 mbar) | 1.4 N |
| 拉脱力 | 1.4 N |
| 卷数 | 0.02 cm³ |
| 工件最小半径(凸面) | 8 mm |
| 尺寸 | 6 |
| 接头系列 | SC020 |
| 吸盘胶皮材料 | Hochtemp. Material HT1-ESD |
| 材料硬度[邵氏 A] | 60 Shore A |
| 重量 | 0.15 g |
| 产品系列 | SUF |
