- 新的
FG 4 HT1-ESD-60 N017
物料号: 10.01.06.06220
波纹吸盘(圆) 用于非常不平整的工件
| 尺寸 | 4 |
| 吸盘胶皮材料 | 高温材料 HT1-ESD |
| 材料硬度[邵氏 A] | 60 (Shore A) |
| 吸盘折数 | 2.5 |
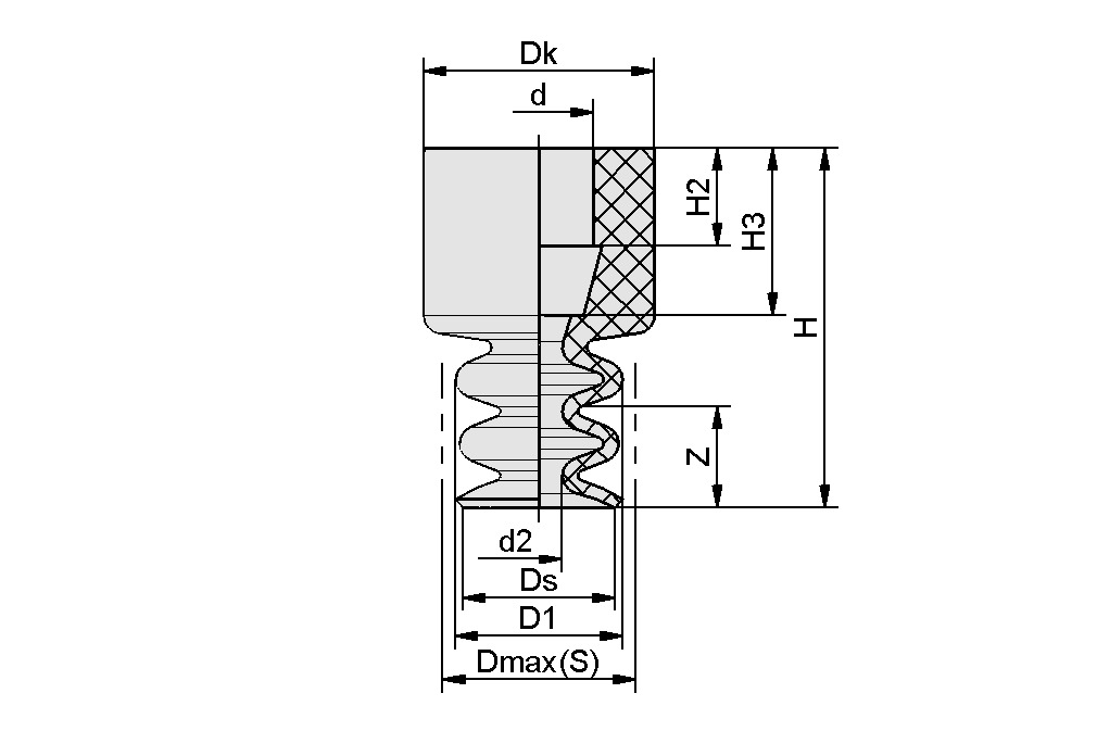
设计参数
设计参数
| 属性 | 价值 |
|---|---|
| d | 3.5 mm |
| d2 | 2.4 mm |
| D1 | 5.1 mm |
| Dk | 7 mm |
| 最大值(S) | 5.5 mm |
| Ds | 3.8 mm |
| H | 14 mm |
| H2 | 3.9 mm |
| H3 | 7 mm |
| Z(吸盘行程) | 1.5 mm |
技术参数
技术参数
| 属性 | 价值 |
|---|---|
| 吸力(-600 mbar) | 0.27 N |
| 拉脱力 | 0.6 N |
| 卷数 | 0.12 cm³ |
| 工件最小半径(凸面) | 4 mm |
| 尺寸 | 4 |
| 螺纹接头系列 | N 017 |
| 吸盘折数 | 2.5 |
| 吸盘胶皮材料 | 高温材料 HT1-ESD |
| 材料硬度[邵氏 A] | 60 Shore A |
| 重量 | 0.4 g |
| 产品系列 | FG |
