- 新的
FG 3 HT1-ESD-60 N055
物料号: 10.01.06.06219
波纹吸盘(圆) 用于非常不平整的工件
| 尺寸 | 3 |
| 吸盘胶皮材料 | Hochtemp. Material HT1-ESD |
| 材料硬度[邵氏 A] | 60 (Shore A) |
| 吸盘折数 | 2.5 |
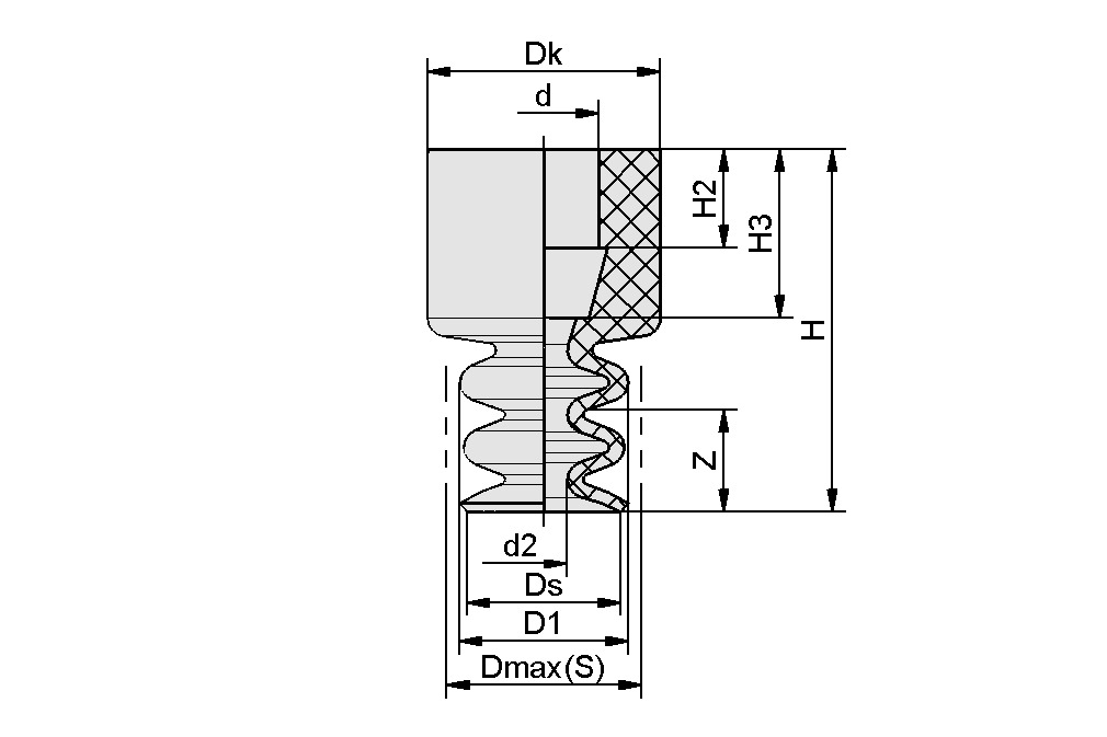
设计参数
设计参数
| 属性 | 价值 |
|---|---|
| d | 1.7 mm |
| d1 | 2.3 mm |
| d2 | 1.8 mm |
| D1 | 3.6 mm |
| Dk | 3.6 mm |
| 最大值(S) | 4 mm |
| Ds | 3 mm |
| H | 6.7 mm |
| H2 | 2.1 mm |
| H3 | 2.7 mm |
| Z(吸盘行程) | 1.1 mm |
技术参数
技术参数
| 属性 | 价值 |
|---|---|
| 吸力(-600 mbar) | 0.15 N |
| 拉脱力 | 0.4 N |
| 卷数 | 0.02 cm³ |
| 工件最小半径(凸面) | 4 mm |
| 软管直径(建议)d | 2 mm |
| 尺寸 | 3 |
| 螺纹接头系列 | N 055 |
| 吸盘折数 | 2.5 |
| 吸盘胶皮材料 | Hochtemp. Material HT1-ESD |
| 材料硬度[邵氏 A] | 60 Shore A |
| 重量 | 0.04 g |
| 产品系列 | FG |
