FG 42 SI-MD-55 N018
物料号: 10.01.06.04286
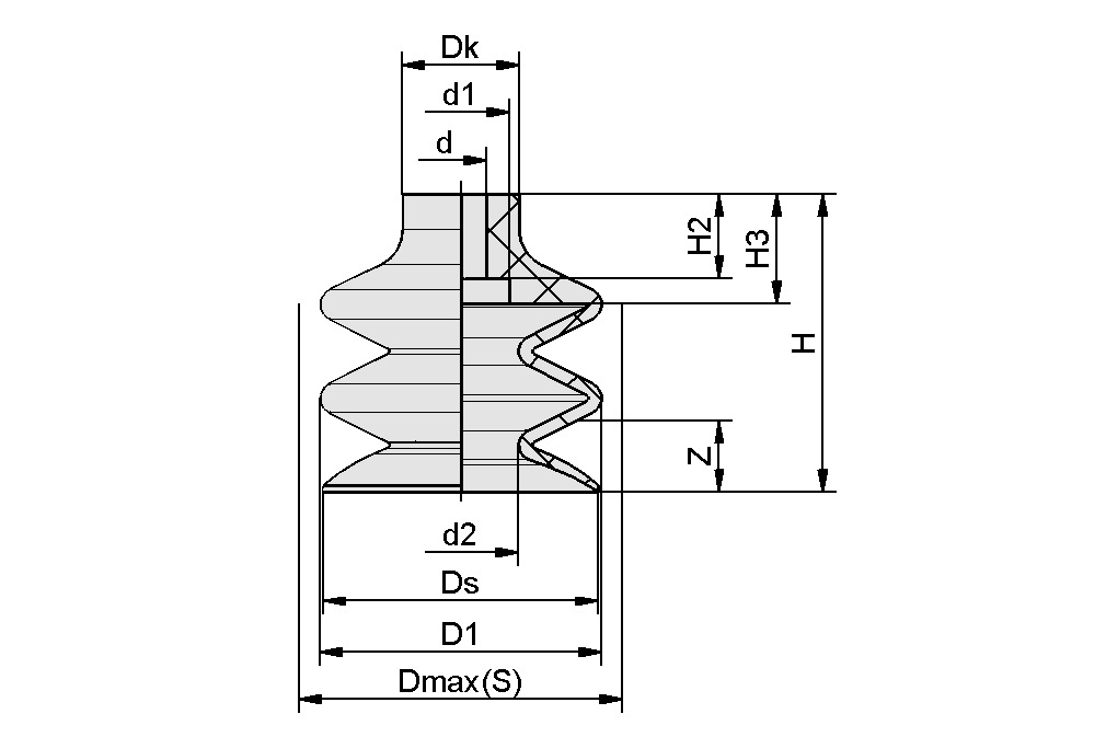
波纹吸盘(圆形),紧密贴合不平整工件表面
尺寸 | 42 |
吸盘胶皮材料 | 可探测金属硅胶 |
材料硬度[邵氏 A] | 55 (Shore A) |
材料特性 | 符合 FDA 标准 |
吸盘折数 | 2.5 |
设计参数
设计参数

属性 | 价值 |
---|---|
d | 8 mm |
d1 | 15 mm |
d2 | 17.8 mm |
D1 | 43.5 mm |
Dk | 18 mm |
最大值(S) | 45 mm |
Ds | 42.6 mm |
H | 46 mm |
H2 | 13 mm |
H3 | 17 mm |
Z(吸盘行程) | 20 mm |
技术参数
技术参数
属性 | 价值 |
---|---|
吸力(-600 mbar) | 14.93 N |
拉脱力 | 44 N |
卷数 | 19.79 cm³ |
工件最小半径(凸面) | 75 mm |
尺寸 | 42 |
螺纹接头系列 | N 018 |
吸盘折数 | 2.5 |
吸盘胶皮材料 | 可探测金属硅胶 |
材料硬度[邵氏 A] | 55 Shore A |
重量 | 23.6 g |
产品系列 | FG |
文件
文件