FG 4 HT1-60 N017
物料号: 10.01.06.02930
波纹吸盘(圆形),紧密贴合不平整工件表面
尺寸 | 4 |
吸盘胶皮材料 | 高温材料 HT1 |
材料硬度[邵氏 A] | 60 (Shore A) |
吸盘折数 | 2.5 |
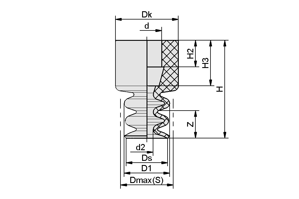
设计参数
设计参数

属性 | 价值 |
---|---|
d | 3.5 mm |
d2 | 2.4 mm |
D1 | 5.1 mm |
Dk | 7 mm |
最大值(S) | 5.5 mm |
Ds | 3.8 mm |
H | 14 mm |
H2 | 3.9 mm |
H3 | 7 mm |
Z(吸盘行程) | 1.5 mm |
技术参数
技术参数
属性 | 价值 |
---|---|
吸力(-600 mbar) | 0.27 N |
拉脱力 | 0.6 N |
卷数 | 0.12 cm³ |
工件最小半径(凸面) | 4 mm |
尺寸 | 4 |
螺纹接头系列 | N 017 |
吸盘折数 | 2.5 |
吸盘胶皮材料 | 高温材料 HT1 |
材料硬度[邵氏 A] | 60 Shore A |
重量 | 0.4 g |
产品系列 | FG |
文件
文件