Schmalz

请稍后再试,或联系当地联系人。

FGA 11 HT1-60 N016

物料号: 10.01.06.01247

波纹吸盘(圆) 具有最佳适应性,同化于凹凸不平的表面

尺寸11
吸盘胶皮材料高温材料 HT1
材料硬度[邵氏 A]60 (Shore A)
吸盘折数1.5
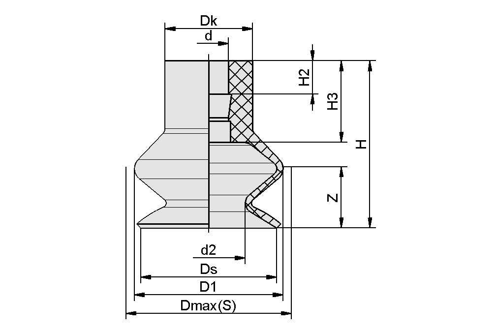
设计参数
Design image
属性 价值
d 4.5  mm
d2 5.1  mm
D1 12  mm
Dk 10  mm
最大值(S) 13  mm
Ds 10.4  mm
H 16  mm
H2 3.8  mm
H3 9.3  mm
Z(吸盘行程) 4  mm
注意:弹性部件的可接受尺寸公差符合 DIN ISO 3302-1 M3 标准。
技术参数
属性 价值
吸盘折数 1.5
吸力(-600 mbar) 1.2  N
尺寸 11
吸盘胶皮材料 高温材料 HT1
重量 0.9  g
工件最小半径(凸面) 10  mm
产品系列 FGA
注意:吸力:规定的吸力是在真空度为 -0.6 巴和工件表面干燥、光滑、平整的情况下的理论值,不包括安全系数 软管直径:推荐的软管直径指的是长度约为 2 米的软管。
文件

辅料

施迈茨公司

请在以下地区选择您的施迈茨公司:

地区

您所在的地区不在列表中?

施迈茨的国际销售网络遍布 80 多个国家。请选择一种语言浏览我们的国际网站。

您尝试访问的 URL 的语言或国家背景不正确。

与您账户关联的商店渠道与请求的 URL 渠道不匹配。要查看价格或下订单,请切换到您的用户特定频道。

0 产品成功添加到购物车

进入购物车