BEF-WIN 20x43.5x29.5 1.5
物料号: 10.06.02.00685
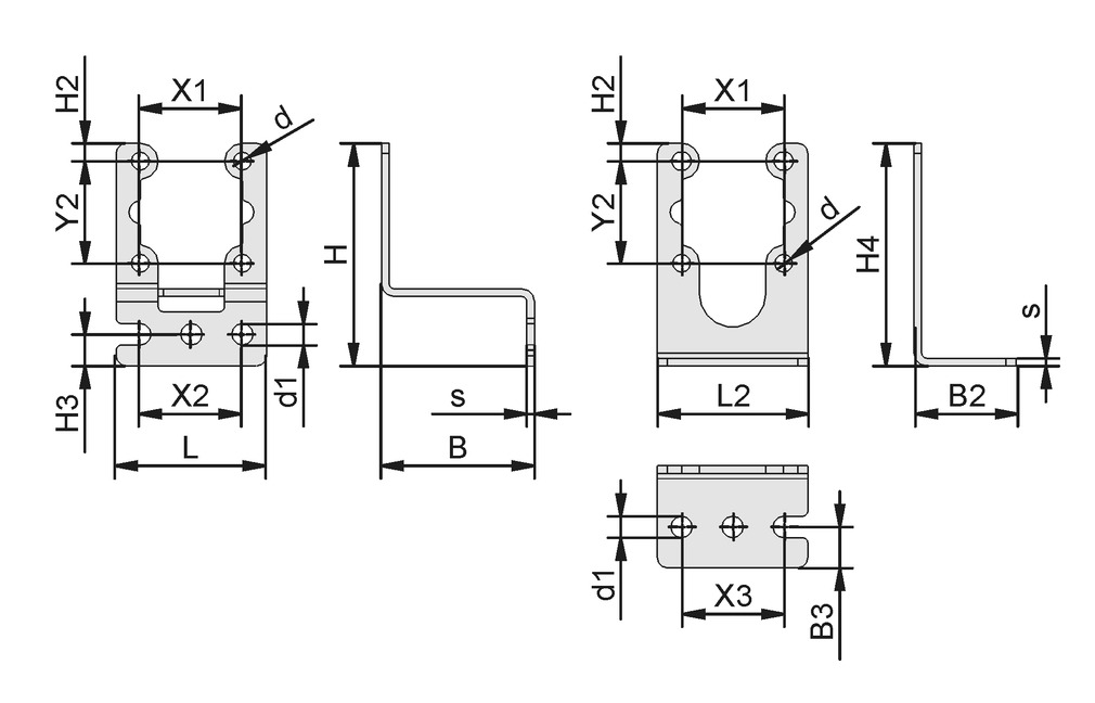
安装支架
| 宽度 B | 20 (mm) |
| 高度 H | 43.5 (mm) |
| 长度 L | 29.5 (mm) |
| 壁厚 s | 1.5 (mm) |
设计参数
设计参数
| 属性 | 价值 |
|---|---|
| B | 20 mm |
| d | 3.5 mm |
| d1 | 4.2 mm |
| H | 43.5 mm |
| H2 | 3.5 mm |
| L | 29.5 mm |
| s | 1.5 mm |
| X1 | 20 mm |
文件
文件
物料号: 10.06.02.00685
安装支架
| 宽度 B | 20 (mm) |
| 高度 H | 43.5 (mm) |
| 长度 L | 29.5 (mm) |
| 壁厚 s | 1.5 (mm) |
| 属性 | 价值 |
|---|---|
| B | 20 mm |
| d | 3.5 mm |
| d1 | 4.2 mm |
| H | 43.5 mm |
| H2 | 3.5 mm |
| L | 29.5 mm |
| s | 1.5 mm |
| X1 | 20 mm |