Schmalz

Ordering information

Suction cup SPB4 (elastomer part + connection element) is delivered assembled. The assembly consists of:

  • Suction cup of type SPB4 – elastomer part, available in various diameters
  • Connection element of type SC – available with various threads

 

Available spare parts: suction cup SPB4, connection element (Schmalz-Connector)

Available accessories: filter screen (sieve, round), hose clamp, pad insert

Please try again later or contact your local contact person.

SPB4 30 SI-55 G3/8-IG

Part no.: 10.01.06.03525

Bellows suction cup (round) for very uneven workpieces

Size30
Suction cup materialSilicone SI
Material hardness [Shore A]55 (Shore A)
Thread G1G3/8"-F
Number of folds4.5
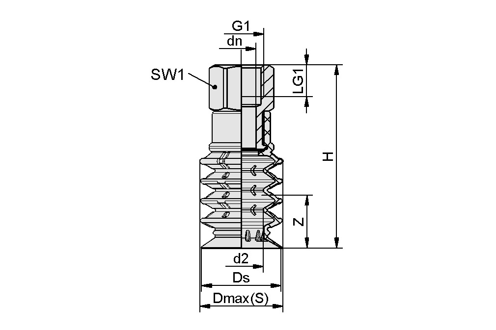
Design Data
Design image
Attribute Value
d2 17  mm
dn 11  mm
Dmax(S) 31.5  mm
Ds 30.2  mm
G1 G3/8"-F
H 69.5  mm
LG1 12  mm
SW1 22  mm
Z (Stroke) 20  mm
Technical Data
Attribute Value
Suction force (-600mbar) 16  N
Pull-off force 22  N
Volume 15.61  cm³
Hose inner diameter (recom.) d 9  mm
Number of folds 4.5
Suction cup material Silicone SI
Material hardness [Shore A] 55  Shore A
Size 30
Weight 27.7  g
Product family SPB4
Note: Suction force: The suction force values are theoretical values at -0.6 bar vacuum and a dry, smooth and even workpiece surface – they are specified without safety factors. Hose inner diameter: The recommended hose diameter refers to a hose length of approx. 2 m
Documentation

Spare parts

Accessories

Schmalz Companies

Select your Schmalz Company in one of the following regions:

Regions

Your region is not listed?

Schmalz maintains an international sales network with sales partners in over 80 countries. Please select a language for our international website.

The URL you are trying to access is not in the correct language or country context.

The store channel associated with your account does not match the channel of the requested URL. To view prices or place an order, please switch to your user-specific channel.

0 products successfully added to cart

Go to shopping cart