Schmalz

Ordering information

Suction cup SGAN (elastomer part + connection nipple) is delivered unassembled. The delivery consists of:

  • Suction cup of type SGA – elastomer part, available in various diameters and materials

  • Connection nipple of type SA-NIP – available with various threads

 

Available spare parts: suction cup SGA, connection nipple SA-NIP

Please try again later or contact your local contact person.

SGAN 16 PU-60 G1/8-AG

Part no.: 10.01.01.00812

Flat suction cup (round) for particularly sensitive workpieces

Size16
Suction cup materialPolyurethane PU
Material hardness [Shore A]60 (Shore A)
ConnectionG1/8"-M
Product information
Design Data
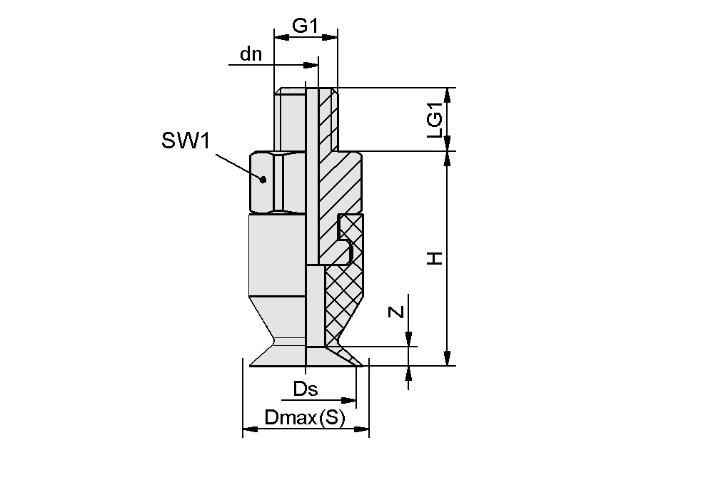
Design image
Attribute Value
dn 3  mm
Dmax(S) 17.5  mm
Ds 15  mm
G1 G1/8"-M
H 17  mm
LG1 8  mm
SW1 14  mm
Z (Stroke) 2  mm
Note: Acceptable dimensional tolerances for elastomer parts concerning to DIN ISO 3302-1 M3
Technical Data
Attribute Value
Suction force (-600mbar) 6.9  N
Volume 0.61  cm³
Workpiece radius min. (convex) 15  mm
Hose inner diameter (recom.) d 4  mm
Size 16
Nipple family N 029
Suction cup material Polyurethane PU
Material hardness [Shore A] 60  Shore A
Weight 5.7  g
Number of folds 0
Product family SGAN
Note: Suction force: The suction force values are theoretical values at -0.6 bar vacuum and a dry, smooth and even workpiece surface – they are specified without safety factors. Hose inner diameter: The recommended hose diameter refers to a hose length of approx. 2 m
Documentation

Spare parts

Schmalz Companies

Select your Schmalz Company in one of the following regions:

Regions

Your region is not listed?

Schmalz maintains an international sales network with sales partners in over 80 countries. Please select a language for our international website.

The URL you are trying to access is not in the correct language or country context.

The store channel associated with your account does not match the channel of the requested URL. To view prices or place an order, please switch to your user-specific channel.

0 products successfully added to cart

Go to shopping cart