Schmalz

Ordering information

Suction cup PFYN (elastomer part + connection nipple) is delivered unassembled (diameters of 120 mm and more are assembled).
The delivery consists of:

  • Suction cup of type PFG – elastomer part, available in various diameters and materials
  • Connection nipple of type SA-NIP – available with various threads

Available spare parts: suction cup PFG, connection nipple SA-NIP

Please try again later or contact your local contact person.

PFYN 8 FPM-65 M5-IG

Part no.: 10.01.01.00125

Flat suction cup (round) for smooth or slightly rough surfaces

Size8
Suction cup materialFluorine rubber FPM
Material hardness [Shore A]65 (Shore A)
Material property non-marking
Nipple materialAluminum
Vacuum connectionM5-F
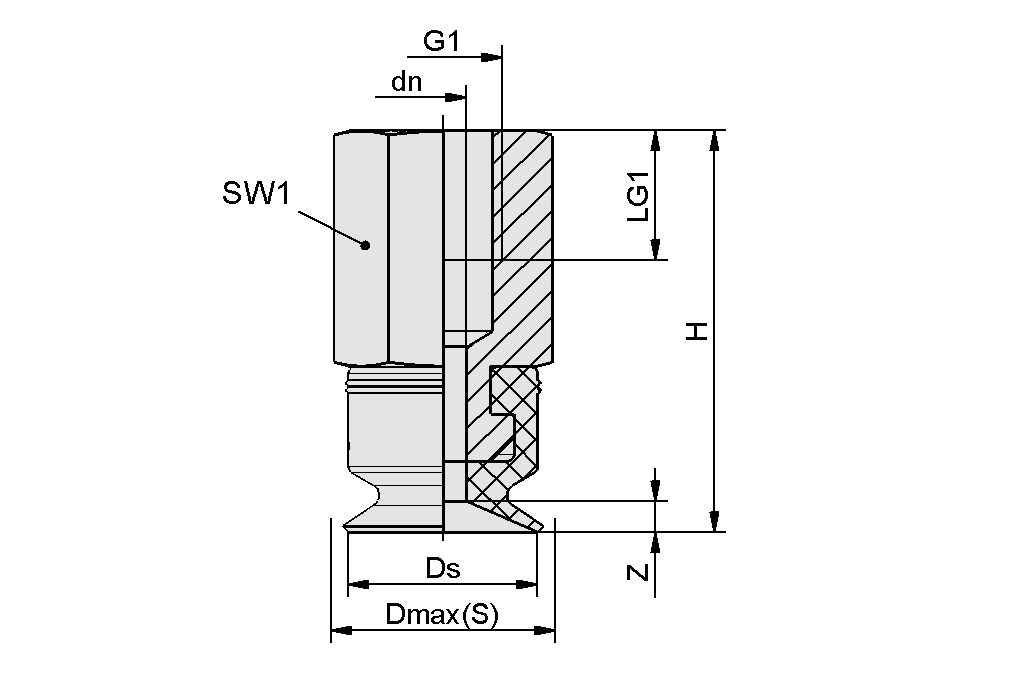
Design Data
Design image
Attribute Value
dn 2  mm
Dmax(S) 9  mm
Ds 8  mm
G1 M5-F
H 17  mm
LG1 5.5  mm
SW1 8  mm
Z (Stroke) 1.3  mm
Note: Acceptable dimensional tolerances for elastomer parts concerning to DIN ISO 3302-1 M3
Technical Data
Attribute Value
Suction force (-600mbar) 2.3  N
Volume 0.03  cm³
Workpiece radius min. (convex) 10  mm
Hose inner diameter (recom.) d 2  mm
Size 8
Suction cup material Fluorine rubber FPM
Material hardness [Shore A] 65  Shore A
Weight 1.5  g
Product family PFYN
Number of folds 0
Note: Suction force: The suction force values are theoretical values at -0.6 bar vacuum and a dry, smooth and even workpiece surface – they are specified without safety factors. Hose inner diameter: The recommended hose diameter refers to a hose length of approx. 2 m
Documentation

Spare parts

Product recommendations

Schmalz Companies

Select your Schmalz Company in one of the following regions:

Regions

Your region is not listed?

Schmalz maintains an international sales network with sales partners in over 80 countries. Please select a language for our international website.

The URL you are trying to access is not in the correct language or country context.

The store channel associated with your account does not match the channel of the requested URL. To view prices or place an order, please switch to your user-specific channel.

0 products successfully added to cart

Go to shopping cart