- NEW
SUF 1 HT1-ESD-60 SC010
Part no.: 10.01.01.16184
Flat suction cup (round) f. process- safe handling of smooth or slightly rough surfaces
| Size | 1 |
| Suction cup material | Hochtemp. Material HT1-ESD |
| Material hardness [Shore A] | 60 (Shore A) |
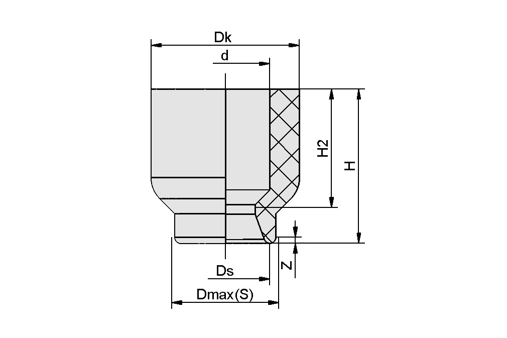
Design Data
Design Data
| Attribute | Value |
|---|---|
| d | 1.5 mm |
| Dk | 2.5 mm |
| Dmax(S) | 1.1 mm |
| Ds | 1 mm |
| H | 2.6 mm |
| H2 | 2 mm |
| Z (Stroke) | 0.1 mm |
Technical Data
Technical Data
| Attribute | Value |
|---|---|
| Suction force (-600mbar) | 0.03 N |
| Pull-off force | 0.03 N |
| Volume | 0 cm³ |
| Workpiece radius min. (convex) | 2 mm |
| Size | 1 |
| Interface nipple family | SC010 |
| Suction cup material | Hochtemp. Material HT1-ESD |
| Material hardness [Shore A] | 60 Shore A |
| Weight | 0.01 g |
| Product family | SUF |
