Schmalz

Ordering information

Spring plunger FSTE-HDB is delivered as a ready-to-connect product.

Please try again later or contact your local contact person.

FSTE-HDB G3/8-AG 120 VG-AB

Part no.: 10.01.02.01530

Spring plunger with damping and height compensation, heavy-duty and ball guided anti-rotation guard

Suction cup connectionG3/8"-M
Product familyFSTE-HDB
Spring stroke Z120 (mm)
Shape mounting elementswith anti-rotation guard anti-block
Tightening torque (max)40 (Nm)
Design Data
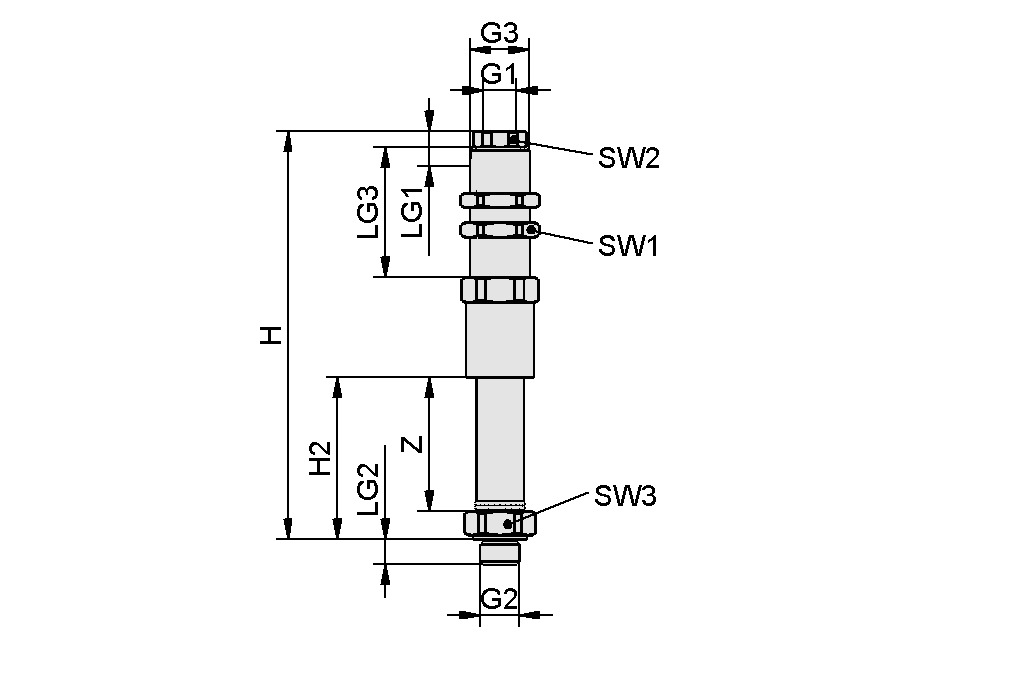
Design image
Attribute Value
G1 G1/8"-F
G2 G3/8"-M
G3 M20x1.5-M
H 238.8  mm
H2 130.3  mm
LG1 12  mm
LG2 8  mm
LG3 44  mm
SW1 24  mm
SW2 17  mm
SW3 22  mm
Z (Stroke) 120  mm
Recommendation: Avoid maximum plunger stroke Z during continuous operation to extend service life Ensure that the hose guide is free from distortion
Technical Data
Attribute Value
Shape mounting elements with anti-rotation guard anti-block
Spring rate 0.23  N/mm
Spring pretension 10.37  N
Spring force center 24.29  N
Vertical load 2,400  N
Horizontal load 290  N
Tightening torque (max) 40  Nm
Weight 350  g
Operating temperature 0 ... 80 °C
Product family FSTE-HDB
Note: Spring force: Referred to 50 % of operating stroke Vertical load: Maximum static loading Horizontal load: The specification of the horizontal load refers to the lower edge of the plunger with extended spring. It is a maximum static stress and it impairs the spring compression and extensionin horizontal position.
Documentation

Schmalz Companies

Select your Schmalz Company in one of the following regions:

Regions

Your region is not listed?

Schmalz maintains an international sales network with sales partners in over 80 countries. Please select a language for our international website.

The URL you are trying to access is not in the correct language or country context.

The store channel associated with your account does not match the channel of the requested URL. To view prices or place an order, please switch to your user-specific channel.

0 products successfully added to cart

Go to shopping cart