Schmalz

Ordering information

Spring plunger FSTE is delivered as a ready-to-connect product.

Please try again later or contact your local contact person.

FSTE G1/2-AG 75

Part no.: 10.01.02.00575

Spring plunger with damping and height compensation

Suction cup connectionG1/2"-M
Product familyFSTE
Spring stroke Z75 (mm)
Tightening torque (max)50 (Nm)
Product information
Design Data
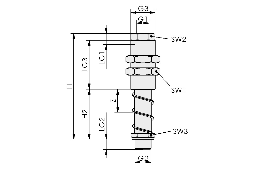
Design image
Attribute Value
G1 G3/8"-F
G2 G1/2"-M
G3 M30x1.5-M
H 176.5  mm
H2 113.5  mm
LG1 13  mm
LG2 10.5  mm
LG3 55  mm
SW1 36  mm
SW2 24  mm
SW3 24  mm
Z (Stroke) 75  mm
Technical Data
Attribute Value
Spring rate 1.07  N/mm
Spring pretension 37.2  N
Spring force center 77.4  N
Vertical load 4,900  N
Horizontal load 800  N
Tightening torque (max) 50  Nm
Weight 530  g
Operating temperature 0 ... 80 °C
Product family FSTE
Note: Spring force: Referred to 50 % of operating stroke Vertical loading: Maximum static loading Horizontal stress: The specification of the horizontal stress refers to the lower edge of the plunger with extended spring. It is a maximum static stress and it impairs the spring compression and extension in horizontal position
Documentation

Spare parts

Accessories

Product recommendations

Schmalz Companies

Select your Schmalz Company in one of the following regions:

Regions

Your region is not listed?

Schmalz maintains an international sales network with sales partners in over 80 countries. Please select a language for our international website.

The URL you are trying to access is not in the correct language or country context.

The store channel associated with your account does not match the channel of the requested URL. To view prices or place an order, please switch to your user-specific channel.

0 products successfully added to cart

Go to shopping cart