Schmalz

订单信息

吸盘 SFF / SFB1(弹性部件 + 连接接头)已组装完毕。

可用备件:吸盘 SFF / SFB1、连接接头 SC

请稍后再试,或联系当地联系人。

SFB1 40 EPDM-45 G1/4-IG

物料号: 10.01.06.04425

波纹吸盘(圆形),紧密贴合不平整工件表面

尺寸40
吸盘胶皮材料三元乙丙橡胶
材料硬度[邵氏 A]45 (Shore A)
产品系列SFB1
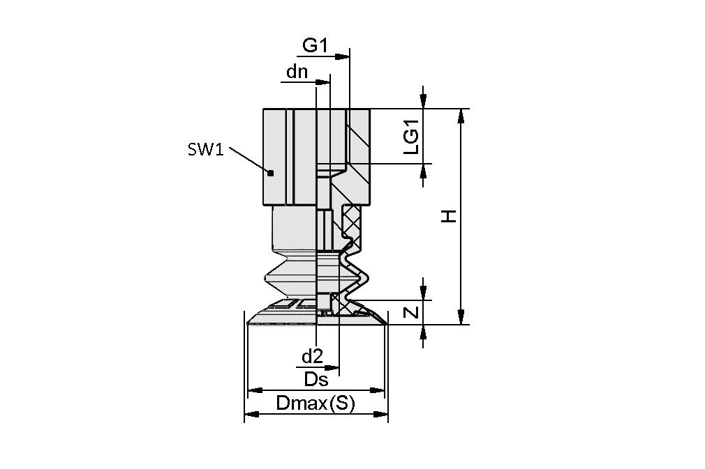
设计参数
Design image
属性 价值
最大值(S) 42  mm
Ds 40  mm
d2 13.7  mm
dn 4.1  mm
G1 G1/4-IG
LG1 12  mm
H 46.9  mm
SW1 17  mm
Z(吸盘行程) 10  mm
技术参数
属性 价值
拉脱力 39.9  N
吸力(-600 mbar) 8.8  N
卷数 7.5  cm³
尺寸 40
吸盘折数 1.5
吸盘胶皮材料 三元乙丙橡胶
材料硬度[邵氏 A] 45  Shore A
产品系列 SFB1
注意:吸力:规定的吸力是在真空度为 -0.6 巴和工件表面干燥、光滑、平整的情况下的理论值,不包括安全系数 软管直径:推荐的软管直径指的是长度约为 2 米的软管。
文件

备件

施迈茨公司

请在以下地区选择您的施迈茨公司:

地区

您所在的地区不在列表中?

施迈茨的国际销售网络遍布 80 多个国家。请选择一种语言浏览我们的国际网站。

您尝试访问的 URL 的语言或国家背景不正确。

与您账户关联的商店渠道与请求的 URL 渠道不匹配。要查看价格或下订单,请切换到您的用户特定频道。

0 产品成功添加到购物车

进入购物车