SFB1 25 HT1-60 SC040
物料号: 10.01.06.04382
波纹吸盘(圆形),1.5折,动态搬运纸箱和刚性包装
| 尺寸 | 25 |
| 吸盘胶皮材料 | 高温材料 HT1 |
| 材料硬度[邵氏 A] | 60 (Shore A) |
| 产品系列 | SFB1 |
| 吸盘折数 | 1.5 |
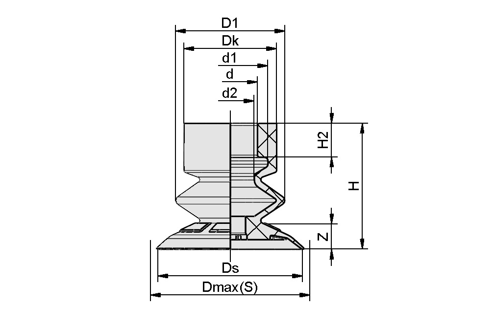
设计参数
设计参数
| 属性 | 价值 |
|---|---|
| D1 | 18.8 mm |
| 最大值(S) | 26.5 mm |
| Dk | 13 mm |
| Ds | 25 mm |
| d | 7.5 mm |
| d1 | 10.4 mm |
| d2 | 8.2 mm |
| H | 19.2 mm |
| H2 | 4.7 mm |
| Z(吸盘行程) | 6.5 mm |
技术参数
技术参数
| 属性 | 价值 |
|---|---|
| 拉脱力 | 18.5 N |
| 吸力(-600 mbar) | 3.2 N |
| 卷数 | 1.88 cm³ |
| 尺寸 | 25 |
| 吸盘折数 | 1.5 |
| 吸盘胶皮材料 | 高温材料 HT1 |
| 材料硬度[邵氏 A] | 60 Shore A |
| 工件最小半径(凸面) | 18 mm |
| 螺纹接头系列 | SC 040 |
| 产品系列 | SFB1 |
文件
文件



