SC-A 045-AR M14x1.5-AG L
物料号: 10.01.06.03137
Schmalz连接器上部
| 连接类型 | 045-AR |
| 螺纹 G1 | M14x1.5-M |
| 长度 L | 2 (mm) |
| 形状 | 自锁止 |
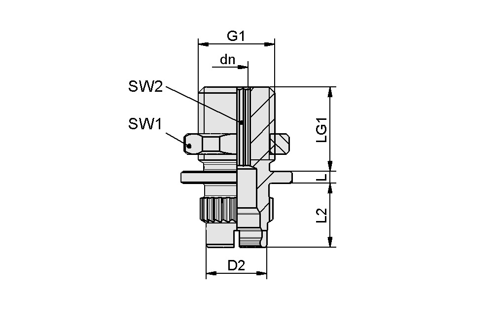
设计参数
设计参数
| 属性 | 价值 |
|---|---|
| dn | 4.1 mm |
| D2 | 10.5 mm |
| G1 | M14x1.5-M |
| L | 2 mm |
| L2 | 11 mm |
| LG1 | 16 mm |
| SW1 | 22 mm |
| SW2 | 4 mm |
技术参数
技术参数
| 属性 | 价值 |
|---|---|
| 连接类型 | 045-AR |
| 材料 | 铝 |
| 形状 | 自锁止 |
| 重量 | 8.9 g |
文件
文件
