SUF 3 NBR-55 M3-AG
物料号: 10.01.01.14291
扁平吸盘(圆),用于工艺处理 安全地处理光滑或轻微 表面
| 尺寸 | 3 |
| 吸盘胶皮材料 | 丁腈橡胶 NBR |
| 材料硬度[邵氏 A] | 55 (Shore A) |
| 产品系列 | SUF |
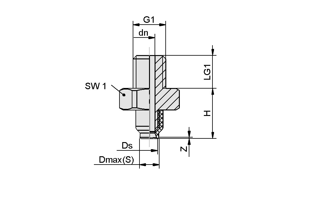
设计参数
设计参数
| 属性 | 价值 |
|---|---|
| 最大值(S) | 3.7 mm |
| Ds | 3 mm |
| dn | 1 mm |
| G1 | M3-M |
| H | 5.5 mm |
| LG1 | 3 mm |
| SW1 | 5 mm |
| Z(吸盘行程) | 0.3 mm |
技术参数
技术参数
| 属性 | 价值 |
|---|---|
| 吸力(-600 mbar) | 0.3 N |
| 拉脱力 | 0.3 N |
| 卷数 | 0 cm³ |
| 工件最小半径(凸面) | 8 mm |
| 软管直径(建议)d | 2 mm |
| 尺寸 | 3 |
| 吸盘胶皮材料 | 丁腈橡胶 NBR |
| 材料硬度[邵氏 A] | 55 Shore A |
| 重量 | 0.2 g |
| 产品系列 | SUF |
| 吸盘折数 | 0 |
文件
文件


