FSTI G3/8-AG G1/8-AG 10
物料号: 10.01.02.00755
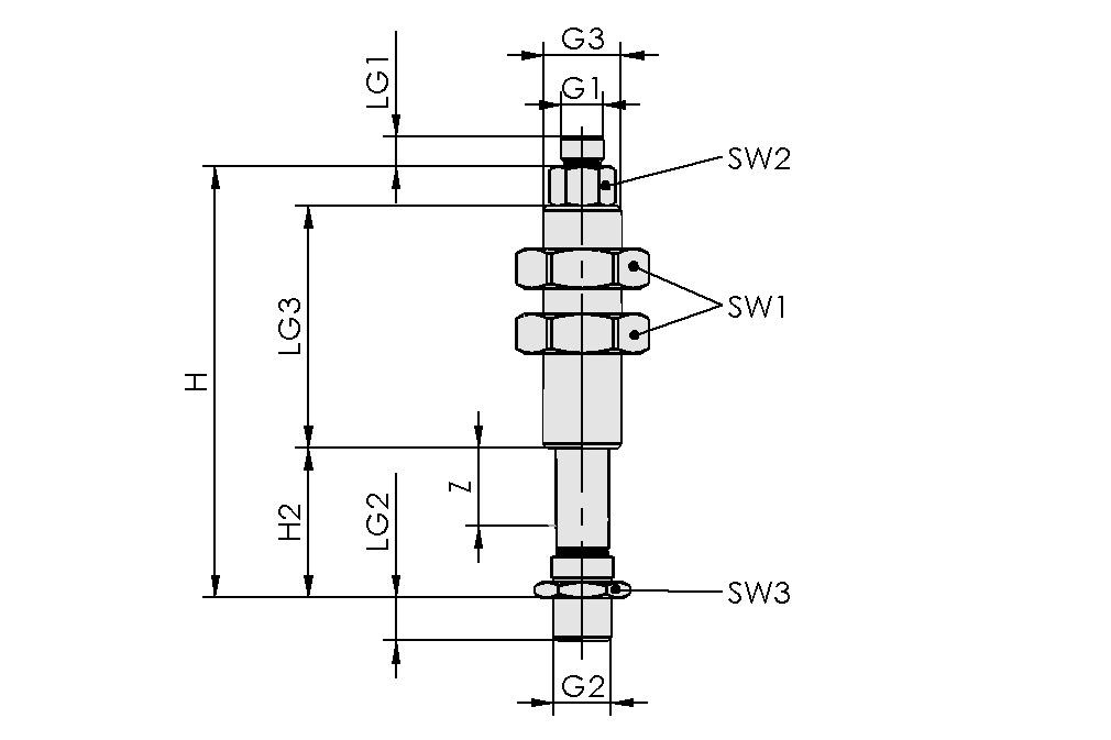
弹簧缓冲支杆带有内部 缓冲弹簧和高度补偿器 补偿
| 吸盘胶皮连接 | G3/8"-M |
| 产品系列 | FSTI |
| 弹簧吸盘行程 Z | 10 (mm) |
设计参数
设计参数
| 属性 | 价值 |
|---|---|
| G1 | G1/8"-M |
| G2 | G3/8"-M |
| G3 | M18x1.5-AG |
| H | 72 mm |
| H2 | 22 mm |
| LG1 | 6.5 mm |
| LG2 | 9 mm |
| LG3 | 41 mm |
| SW1 | 27 mm |
| SW2 | 13 mm |
| SW3 | 19 mm |
| Z(吸盘行程) | 10 mm |
技术参数
技术参数
| 属性 | 价值 |
|---|---|
| 弹簧弹性系数 | 0.1 N/mm |
| 弹簧预紧力 | 7.08 N |
| 弹簧弹力中心 | 7.57 N |
| 直立式负载 | 1,000 N |
| 水平式负载 | 700 N |
| 重量 | 150 g |
| 操作手柄的工作温度 | 0 ... 80 °C |
文件
文件








