Schmalz

Ordering information

Solenoid valve EMVP is delivered as a ready-to-connect product.

 

Available accessories: venting filter, connection cable for solenoid valves, socket with M12 connection

Please try again later or contact your local contact person.

EMVP 50 24V-DC 3/2 NC

Part no.: 10.05.02.00168

Solenoid valve EMVP for vacuum, pneumatic pilot control

Nominal size50 (mm)
Voltage DC24 V - DC
Function valve3/2 multiway valve
Control valveNormally closed
Connection threadG2"-F
Pressure range (operating pressure) [bar]-0.95 ... 0.00 bar
Weight1.36 (kg)
Product information
Design Data
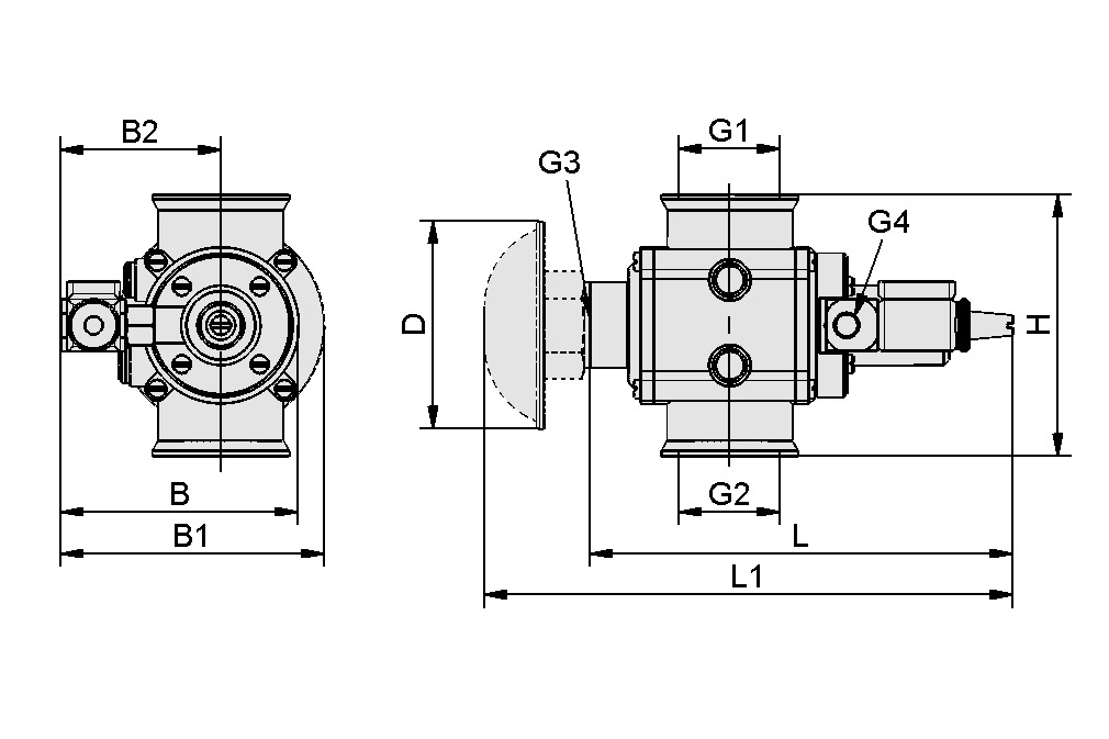
Design image
Attribute Value
B 114  mm
B1 151  mm
B2 105.5  mm
D 80  mm
G1 G2"-F
G2 G2"-F
G3 G1-1/4"-F
G4 G1/8"-F
G5 G3/8"-F
H 142  mm
L 225  mm
L1 260  mm
X1 49  mm
Technical Data
Attribute Value
Nominal size 50  mm
Control valve Normally closed
Pressure range (operating pressure) [bar] -0.95 ... 0.00 bar
Power consumption DC 5  W
Voltage DC 24 V - DC
Closing time 500  ms
Weight 1.36  kg
Product family EMVP
Circuit diagram
Circuit diagram
Documentation

Accessories

Schmalz Companies

Select your Schmalz Company in one of the following regions:

Regions

Your region is not listed?

Schmalz maintains an international sales network with sales partners in over 80 countries. Please select a language for our international website.

The URL you are trying to access is not in the correct language or country context.

The store channel associated with your account does not match the channel of the requested URL. To view prices or place an order, please switch to your user-specific channel.

0 products successfully added to cart

Go to shopping cart