EMVP 25 24V-DC 3/2 IMP
Part no.: 10.05.02.00152
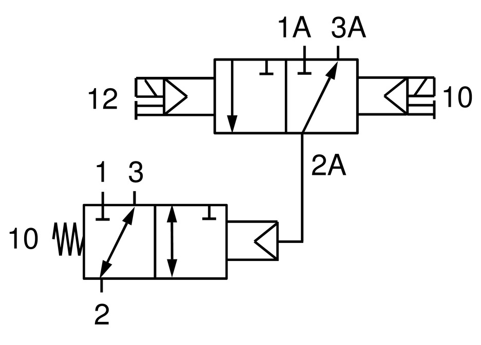
Solenoid valve EMVP for vacuum, pneumatic pilot control
| Nominal size | 25 (mm) |
| Nominal flow at 0.1 bar | 90.1 (m³/h) |
| Voltage DC | 24 V - DC |
| Function valve | 3/2 multiway valve |
| Control valve | Impulse valve |
| Connection thread | G1"-F |
| Pressure range (operating pressure) [bar] | -0.95 ... 0.00 bar |
| Weight | 0.68 (kg) |
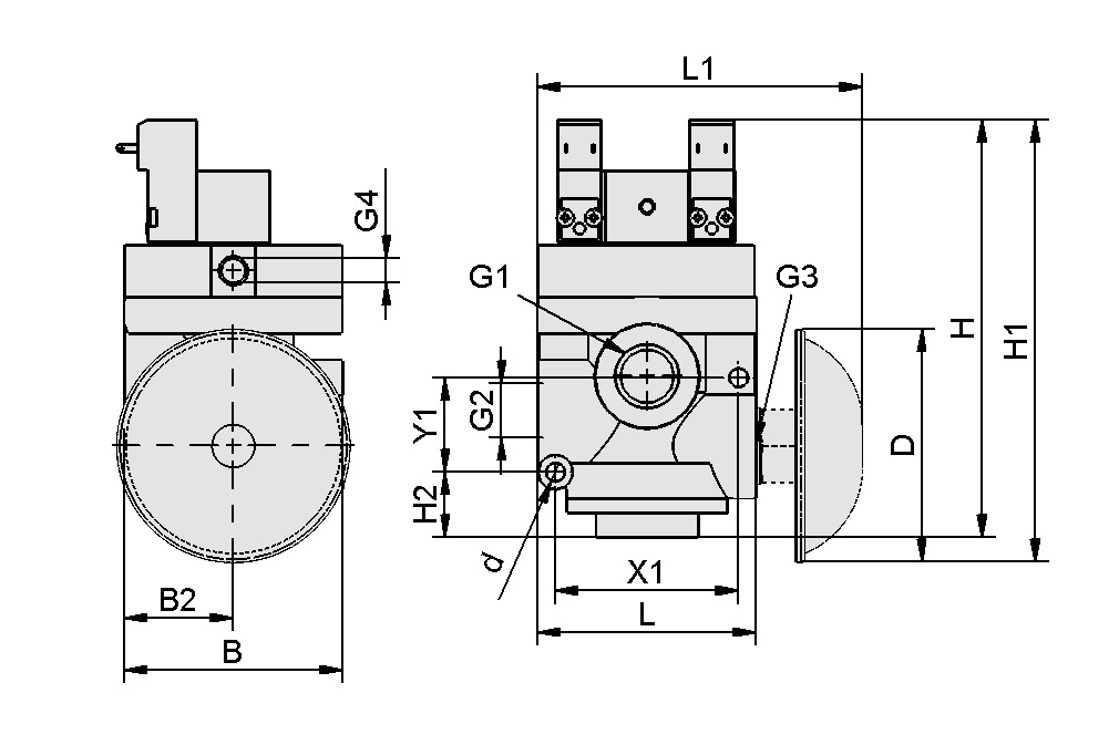
Design Data
Design Data
| Attribute | Value |
|---|---|
| B | 94 mm |
| B2 | 47 mm |
| d | 8 mm |
| D | 80 mm |
| G1 | G1"-F |
| G2 | G1"-F |
| G3 | G1"-F |
| G4 | G1/8"-F |
| H | 166.8 mm |
| H1 | 173.8 mm |
| H2 | 22 mm |
| L | 94 mm |
| L1 | 132 mm |
| X1 | 76 mm |
| Y1 | 37 mm |
Technical Data
Technical Data
| Attribute | Value |
|---|---|
| Nominal size | 25 mm |
| Control valve | Impulse valve |
| Nominal flow at 0.1 bar | 90.1 m³/h |
| Nominal flow at 0.1 bar | 1,502 l/min |
| Pressure range (operating pressure) [bar] | -0.95 ... 0.00 bar |
| Power consumption DC | 7 W |
| Voltage DC | 24 V - DC |
| Closing time | 100 ms |
| Weight | 0.68 kg |
| Product family | EMVP |
Circuit diagram
Circuit diagram
Documentation
Documentation





