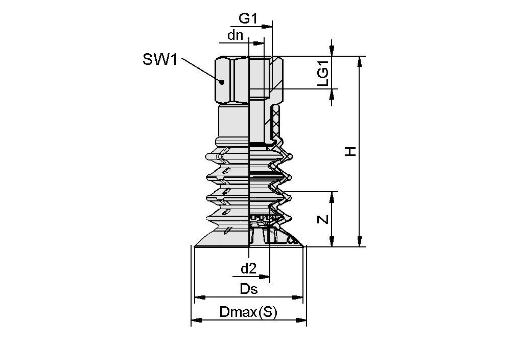
SC 090 G1/4-IG10.01.06.03273Connection element for suction cup
"SchmalzConnector"
| Connection type | 090 |
| Length L1 | 37.5 (mm) |
| Fitting length | 21.5 (mm) |
| Nominal diameter dn | 11.4 (mm) |



