Schmalz

Please try again later or contact your local contact person.

SUF 6 SI-CO-55 SC020

Part no.: 10.01.01.14025

Flat suction cup (round) f. process- safe handling of smooth or slightly rough surfaces

Size6
Suction cup materialSilicone SI conductive
Material hardness [Shore A]55 (Shore A)
Design Data
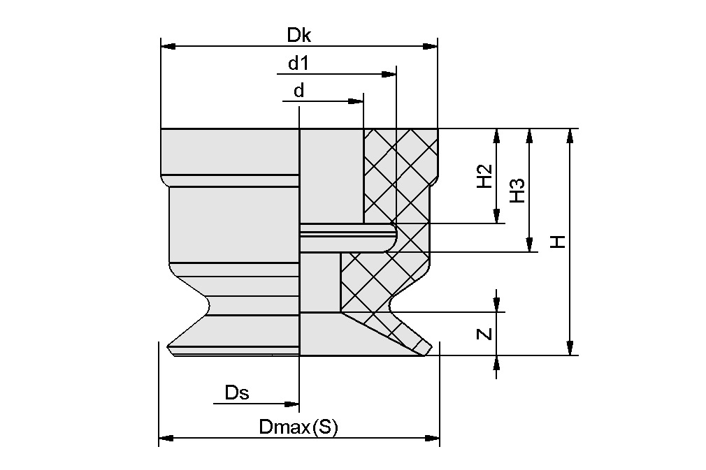
Design image
Attribute Value
d1 4.7  mm
d 3.1  mm
Dk 6.7  mm
Dmax(S) 6.8  mm
Ds 6  mm
H 5.5  mm
H2 2.3  mm
H3 3  mm
Z (Stroke) 0.6  mm
Technical Data
Attribute Value
Suction force (-600mbar) 1.4  N
Pull-off force 1.4  N
Volume 0.02  cm³
Workpiece radius min. (convex) 8  mm
Size 6
Interface nipple family SC020
Suction cup material Silicone SI conductive
Material hardness [Shore A] 55  Shore A
Weight 0.15  g
Product family SUF
Note: Suction force: The suction force values are theoretical values at -0.6 bar vacuum and a dry, smooth and even workpiece surface – they are specified without safety factors. Hose inner diameter: The recommended hose diameter refers to a hose length of approx. 2 m
Documentation

Accessories

Schmalz Companies

Select your Schmalz Company in one of the following regions:

Regions

Your region is not listed?

Schmalz maintains an international sales network with sales partners in over 80 countries. Please select a language for our international website.

The URL you are trying to access is not in the correct language or country context.

The store channel associated with your account does not match the channel of the requested URL. To view prices or place an order, please switch to your user-specific channel.

0 products successfully added to cart

Go to shopping cart