Schmalz

Please try again later or contact your local contact person.

FG 9 HT1-60 N016

Part no.: 10.01.06.00878

Bellows suction cup (round) for very uneven workpieces

Size9
Suction cup materialHigh temperature material HT1
Material hardness [Shore A]60 (Shore A)
Number of folds2.5
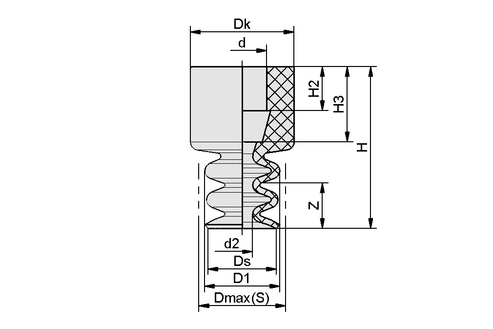
Design Data
Design image
Attribute Value
d 4.5  mm
d2 4.1  mm
D1 8.9  mm
Dk 9  mm
Dmax(S) 9.5  mm
Ds 9  mm
H 15  mm
H2 3.8  mm
H3 8.2  mm
Z (Stroke) 3  mm
Note: Acceptable dimensional tolerances for elastomer parts concerning to DIN ISO 3302-1 M3
Technical Data
Attribute Value
Suction force (-600mbar) 0.79  N
Pull-off force 2.3  N
Workpiece radius min. (convex) 10  mm
Size 9
Nipple family N 016
Number of folds 2.5
Suction cup material High temperature material HT1
Material hardness [Shore A] 60  Shore A
Weight 0.6  g
Product family FG
Note: Suction force: The suction force values are theoretical values at -0.6 bar vacuum and a dry, smooth and even workpiece surface – they are specified without safety factors. Hose inner diameter: The recommended hose diameter refers to a hose length of approx. 2 m
Documentation

Accessories

Schmalz Companies

Select your Schmalz Company in one of the following regions:

Regions

Your region is not listed?

Schmalz maintains an international sales network with sales partners in over 80 countries. Please select a language for our international website.

The URL you are trying to access is not in the correct language or country context.

The store channel associated with your account does not match the channel of the requested URL. To view prices or place an order, please switch to your user-specific channel.

0 products successfully added to cart

Go to shopping cart