Schmalz

Ordering information

Spring plunger FSTA-HD is delivered as a ready-to-connect product.

Please try again later or contact your local contact person.

FSTA-HD G1/2-AG 90 VG

Part no.: 10.01.02.00891

Spring plunger with both-way damping and height compensation, heavy-duty

Suction cup connectionG1/2"-M
Product familyFSTA-HD
Spring stroke Z90 (mm)
Shape mounting elementswith anti-rotation guard
Tightening torque (max)50 (Nm)
Design Data
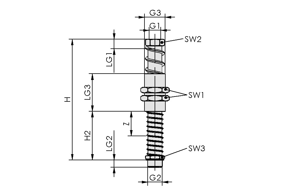
Design image
Attribute Value
G1 G3/8"-F
G2 G1/2"-M
G3 M30x1.5-M
H 229.5  mm
H2 123.3  mm
LG1 12  mm
LG2 10.5  mm
LG3 53  mm
SW1 36  mm
SW2 24  mm
SW3 24  mm
Z (Stroke) 90  mm
Technical Data
Attribute Value
Spring rate 1.07  N/mm
Spring pretension 24.38  N
Spring force center 75.3  N
Vertical load 4,900  N
Horizontal load 730  N
Tightening torque (max) 50  Nm
Weight 645  g
Operating temperature 0 ... 80 °C
Product family FSTA-HD
Note: Spring force: Referred to 50 % of operating stroke Vertical loading: Maximum static loading Horizontal stress: The specification of the horizontal stress refers to the lower edge of the plunger with extended spring. It is a maximum static stress and it impairs the spring compression and extension in horizontal position
Documentation

Accessories

Schmalz Companies

Select your Schmalz Company in one of the following regions:

Regions

Your region is not listed?

Schmalz maintains an international sales network with sales partners in over 80 countries. Please select a language for our international website.

The URL you are trying to access is not in the correct language or country context.

The store channel associated with your account does not match the channel of the requested URL. To view prices or place an order, please switch to your user-specific channel.

0 products successfully added to cart

Go to shopping cart